GM Service Manual Online
For 1990-2009 cars only
Makes
🢒
Generic
🢒
2003
🢒
Unit Repair
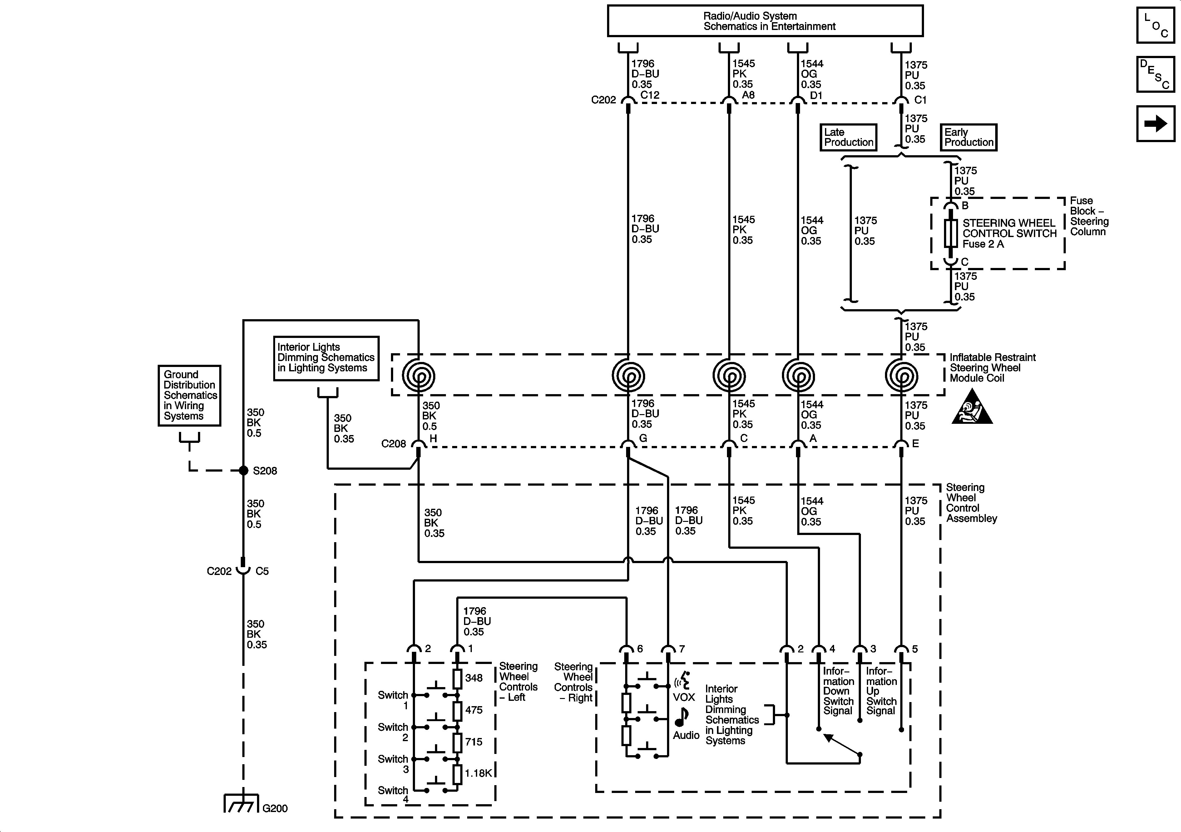
🢒 Steering Wheel Controls - 2.6L/3.2L/3.6L (LY9/LA3/LY7)
Steering Wheel Controls - 2.6L/3.2L/3.6L (LY9/LA3/LY7)
Steering Wheel Controls - 2.6L/3.2L/3.6L (LY9/LA3/LY7)
Master Electrical Component List
Radio/Audio System Description and Operation
Steering Wheel Controls - 5.7L (LS6)
Power, Ground, Serial Data and Audio Signal Communication
G200
Steering Wheel Controls Dimming
SIR Caution for Zoning
G200
Steering Wheel Controls Dimming