GM Service Manual Online
For 1990-2009 cars only
Makes
🢒
Generic
🢒
2003
🢒
Unit Repair
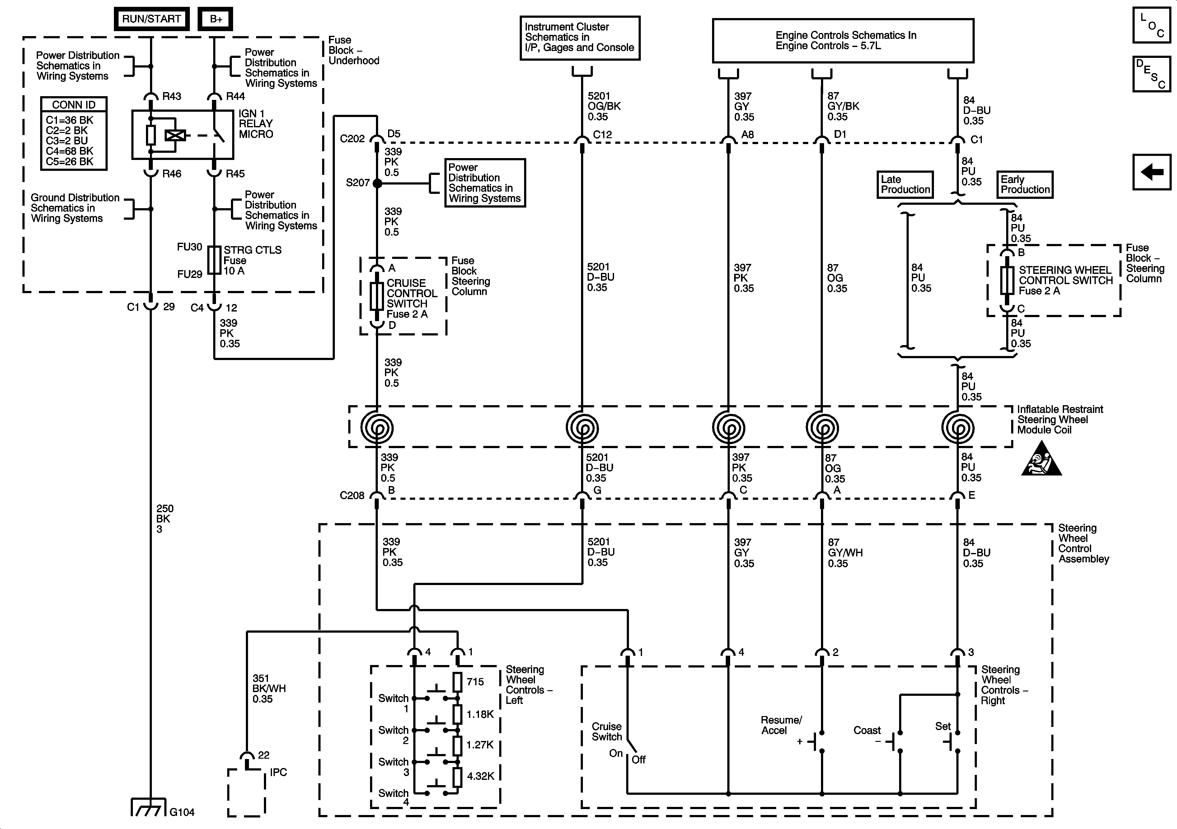
🢒 Steering Wheel Controls - 5.7L (LS6)
Steering Wheel Controls - 5.7L (LS6)
Steering Wheel Controls - 5.7L (LS6)
Master Electrical Component List
Radio/Audio System Description and Operation
Steering Wheel Controls - 2.6L/3.2L/3.6L (LY9/LA3/LY7)
Ignition Switch - 2 of 2
Underhood Fuse Block B+ Bus - 2 of 2
G104 - 1 of 2
Underhood Fuse Block WASH NOZ, STRG CTLS and IGN MOD/MAF Fuses
Underhood Fuse Block WASH NOZ, STRG CTLS and IGN MOD/MAF Fuses
Indicators
Engine Data Sensors - Throttle Actuator Control (TAC) System
SIR Caution for Zoning
G104 - 1 of 2