GM Service Manual Online
For 1990-2009 cars only
Makes
🢒
Generic
🢒
2003
🢒
Unit Repair
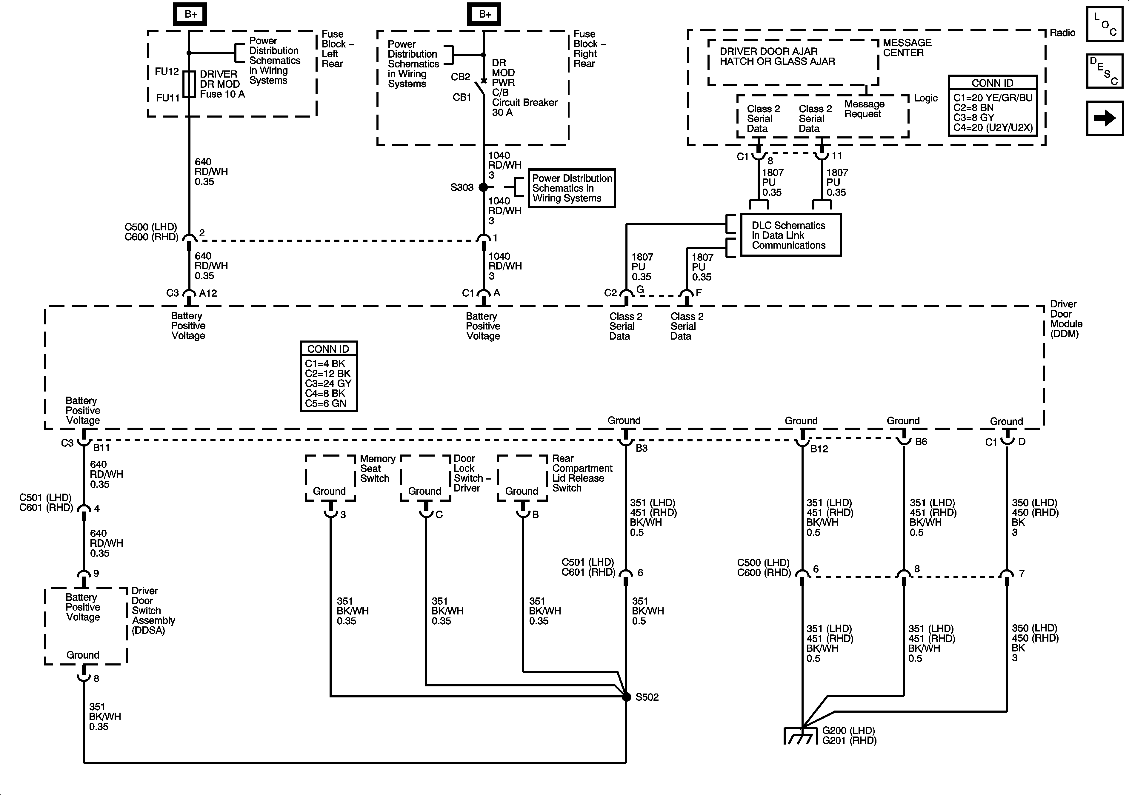
🢒 Driver Door Module (DDM) Power, Ground, and Serial Data
Driver Door Module (DDM) Power, Ground, and Serial Data
Driver Door Module (DDM) Power, Ground and Serial Data
Master Electrical Component List
Door Ajar Indicator Description and Operation
Driver Door Module (DDM) Controlled/Monitored Subsystem References - 1 of 2
Left Rear Fuse Block B+ Bus
Right Rear Fuse Block B+ Bus
Right Rear Fuse Block DR MOD PWR Circuit Breaker, CANISTER VENT, RIM/IGN SW, R FRT HTD SEAT MOD and POWER SOUNDER Fuses
Class 2 Serial Data Bus - LHD - 1 of 2
G200