GM Service Manual Online
For 1990-2009 cars only
Makes
🢒
Generic
🢒
2003
🢒
Unit Repair
🢒 Ignition Controls - Knock, CKP and CMP Sensors
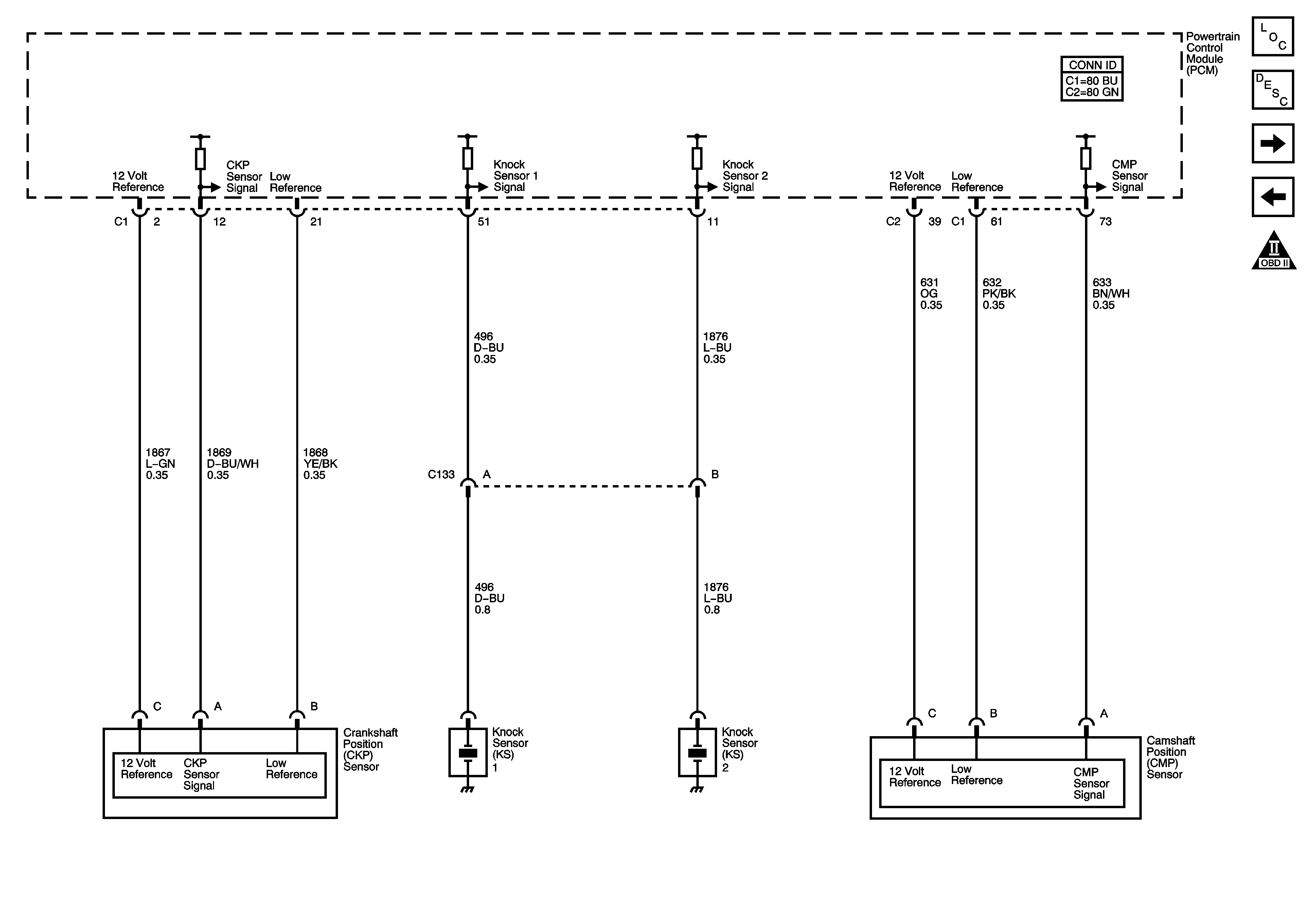
Ignition Controls - Knock, CKP and CMP Sensors
Ignition Controls - Knock, CKP and CMP Sensors
Master Electrical Component List
Knock Sensor (KS) System Description
Fuel Controls - Fuel Injectors and Fuel Pump/Sender Assembly
Ignition Controls - Even Ignition Coils
OBD II Symbol Description Notice