GM Service Manual Online
For 1990-2009 cars only
Makes
🢒
Generic
🢒
2003
🢒
Unit Repair
🢒 Fuel Controls - Fuel Injectors and Fuel Pump/Sender Assembly
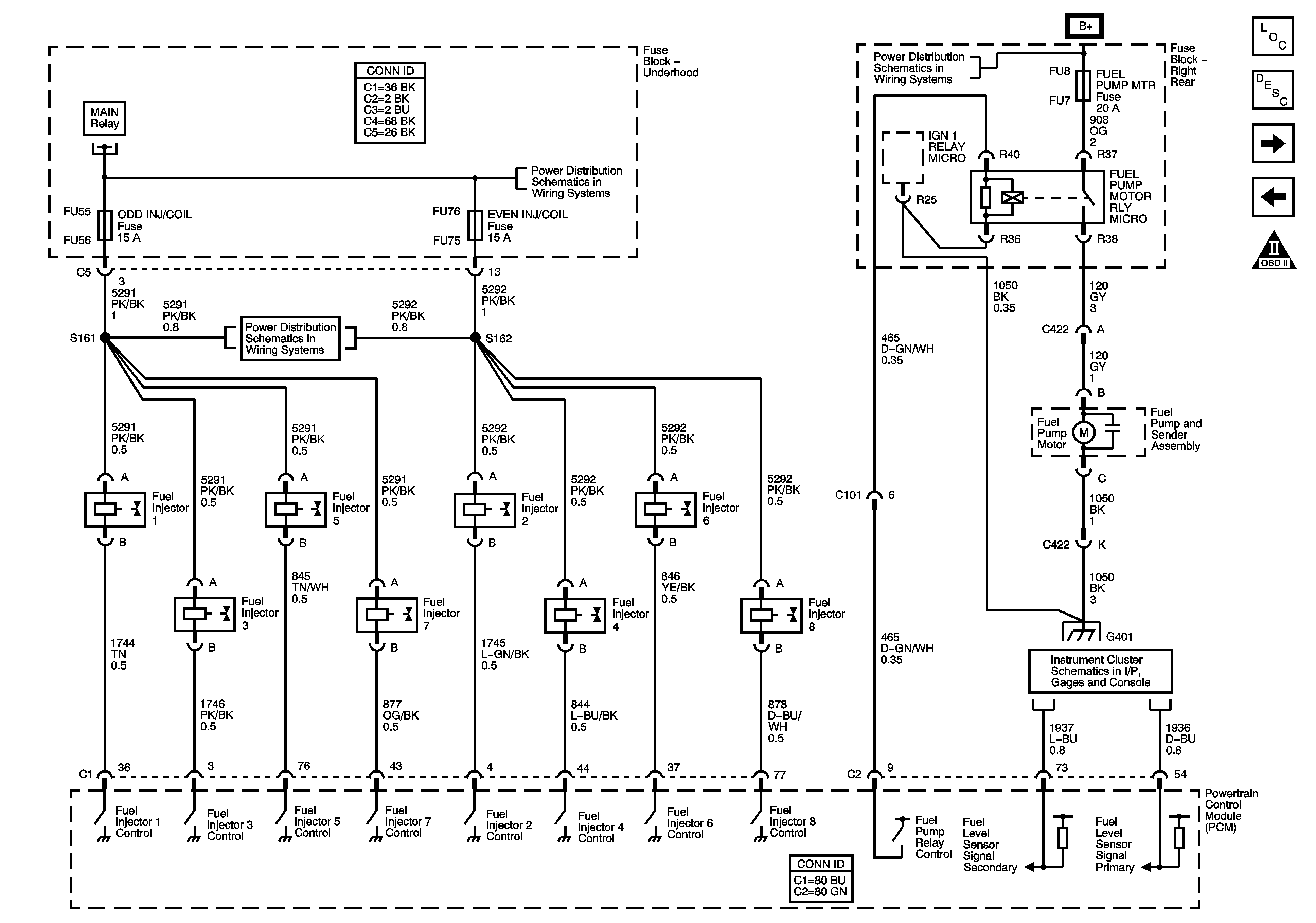
Fuel Controls - Fuel Injectors and Fuel Pump/Sender Assembly
Fuel Controls - Fuel Injectors and Fuel Pump and Sender Assembly
Master Electrical Component List
Fuel System Description
Fuel Controls - EVAP Controls
Ignition Controls - Knock, CKP and CMP Sensors
OBD II Symbol Description Notice
Power, Ground, Serial Data, DIC and Indicator (LS6)
Underhood Fuse Block ODD INJ/COIL Fuse
Underhood Fuse Block B+ Bus - 2 of 2
Right Rear Fuse Block B+ Bus
G401
Gages - 5.7L (LS6)