GM Service Manual Online
For 1990-2009 cars only
Makes
🢒
Generic
🢒
2003
🢒
Unit Repair
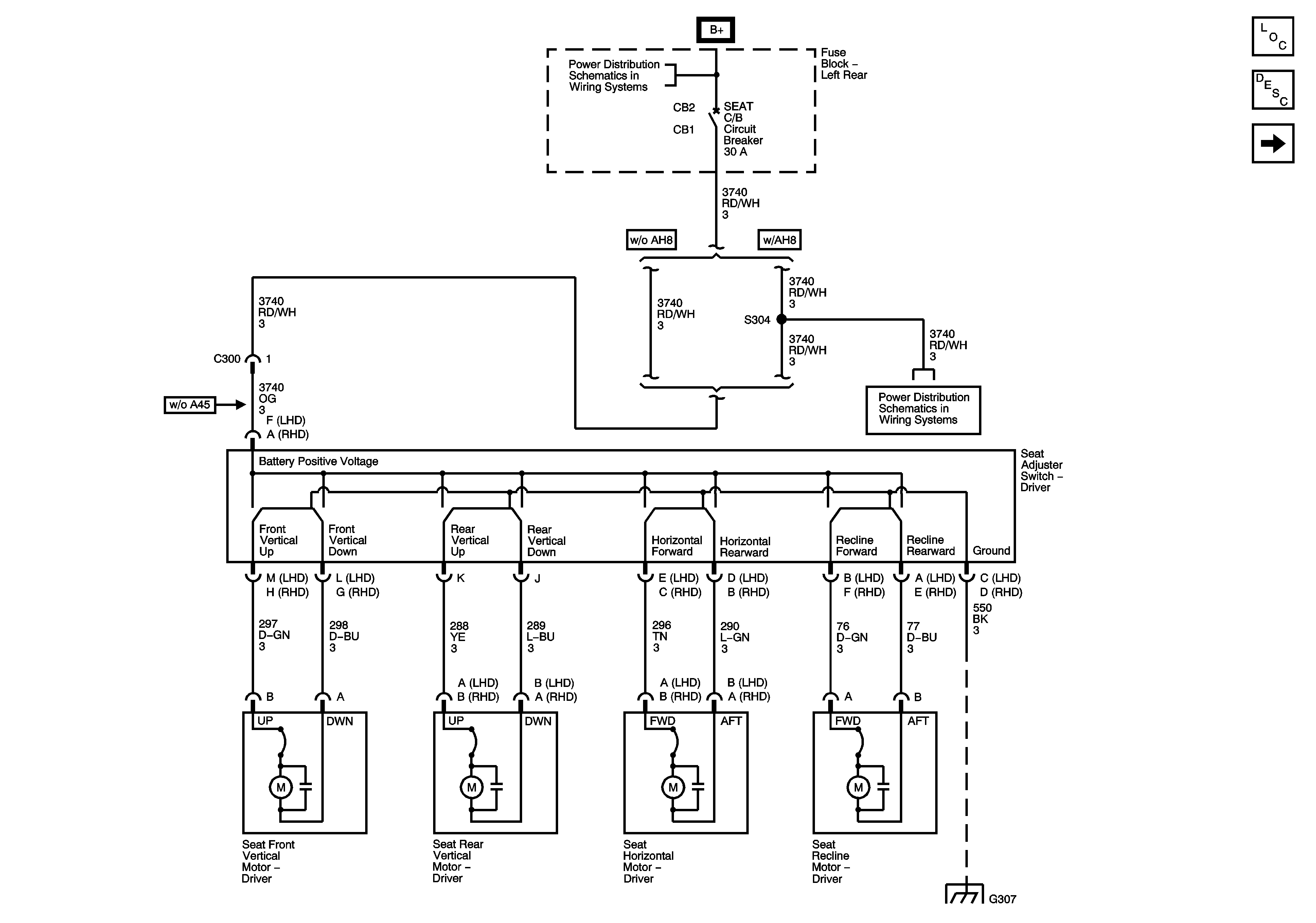
🢒 Power Seat - Driver
Power Seat - Driver
Power Seat - Driver
Master Electrical Component List
Power Seats System Description and Operation
Heated Seat - Driver (KA1)
Left Rear Fuse Block B+ Bus
Left Rear Fuse Block SEAT Circuit Breaker, TRUNK Fuse/Relay, AMP, AUDIO, DRIVER DR MOD and REAR DR MOD Fuses
G307