GM Service Manual Online
For 1990-2009 cars only
Makes
🢒
Generic
🢒
2003
🢒
Unit Repair
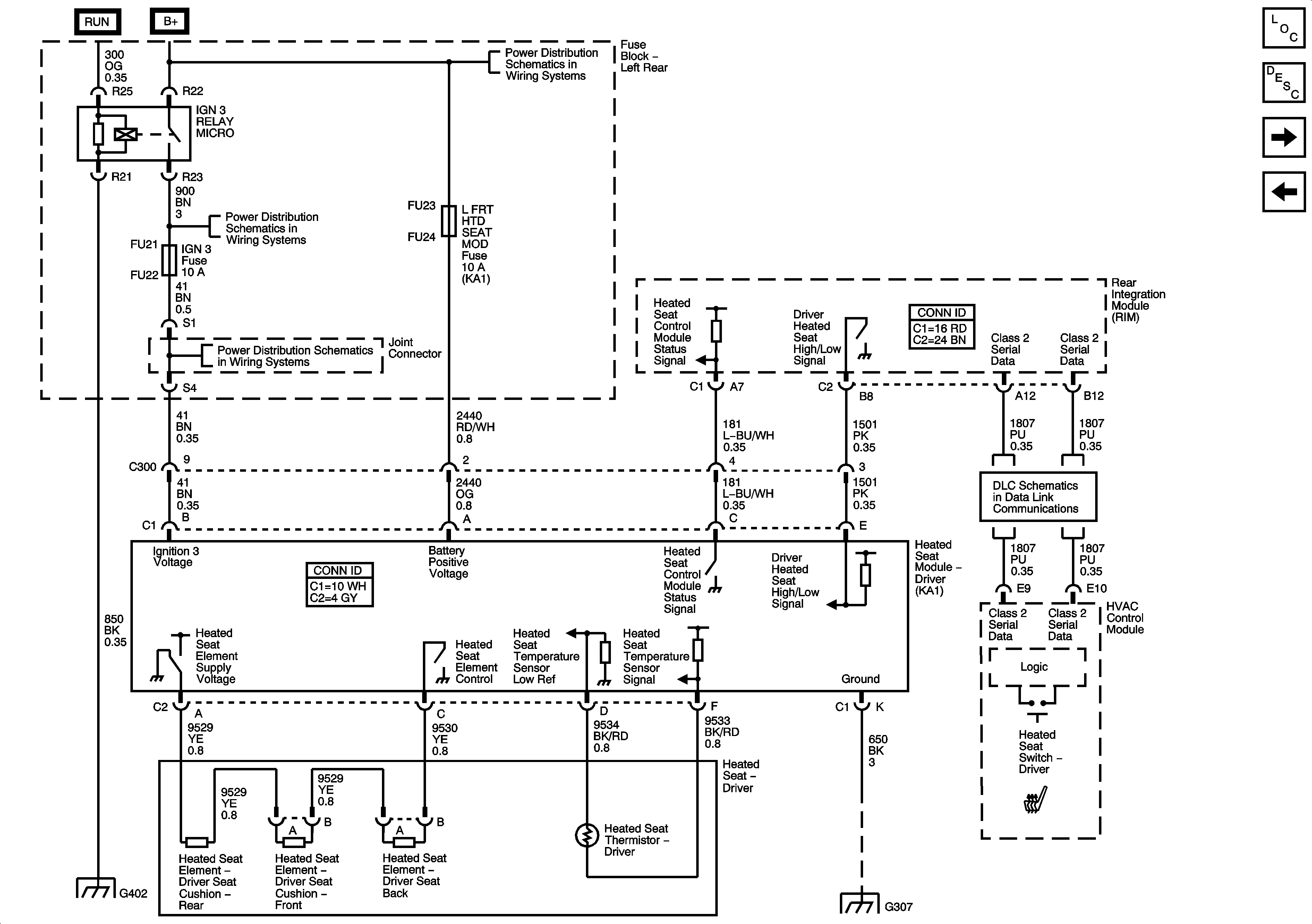
🢒 Heated Seat - Driver (KA1)
Heated Seat - Driver (KA1)
Heated Seat - Driver (KA1)
Master Electrical Component List
Heated Seats Description and Operation
Memory Seat Module (MSM) Power, Ground and Driver Seat Adjuster Switch (A45)
Power Seat - Driver
Left Rear Fuse Block B+ Bus
Left Rear Fuse Block IGN 3 Relay, L FRT HTD SEAT MOD, MEM/ADAPT SEAT, CCP, and HDLP LEVELING and IGN 3 Fuses
Left Rear Fuse Block IGN 3 Relay, L FRT HTD SEAT MOD, MEM/ADAPT SEAT, CCP, and HDLP LEVELING and IGN 3 Fuses
Class 2 Serial Data Bus - LHD - 2 of 2
G402 - 2 of 2
G307