GM Service Manual Online
For 1990-2009 cars only
Makes
🢒
Generic
🢒
2003
🢒
Unit Repair
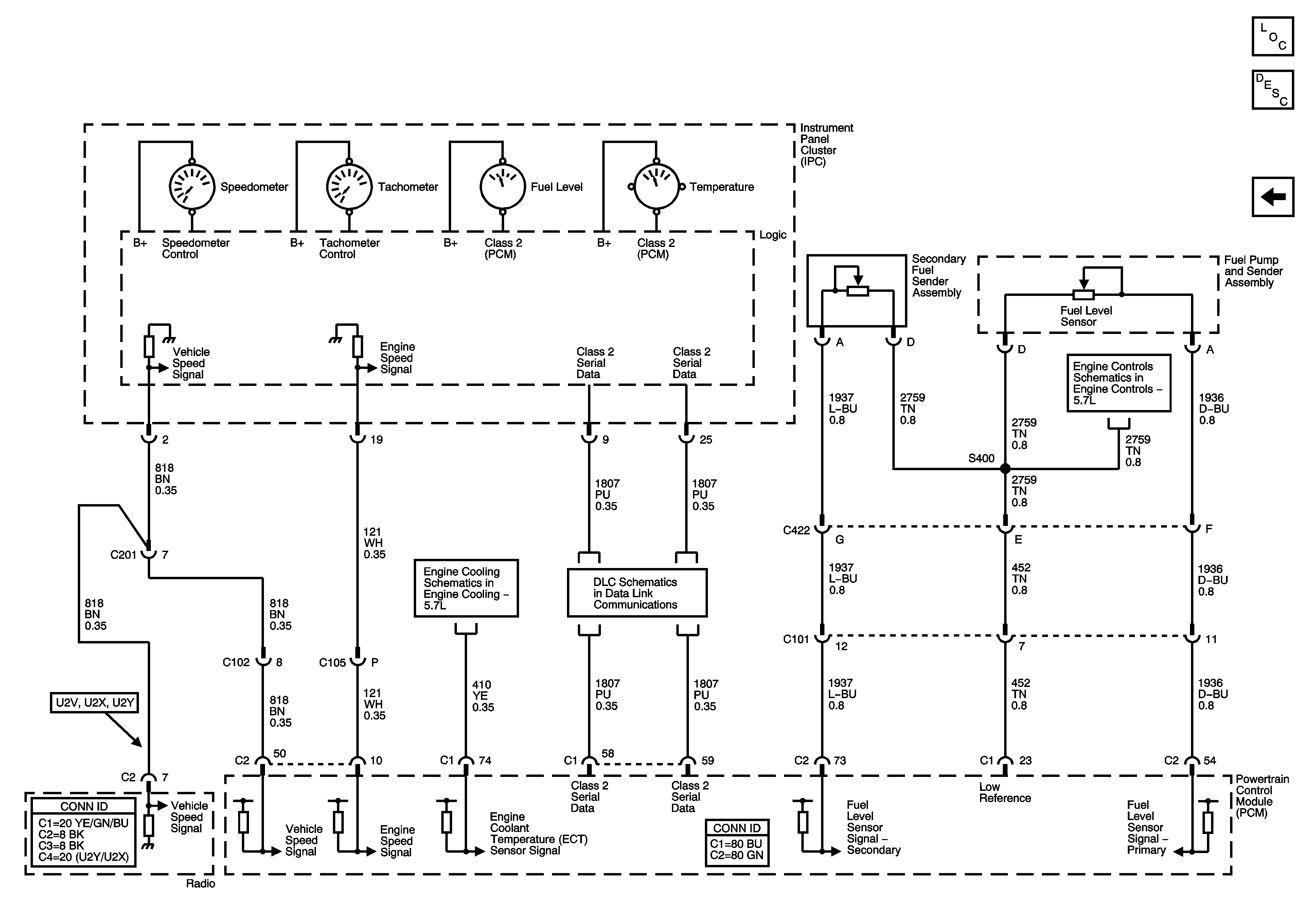
🢒 Gages - 5.7L (LS6)
Gages - 5.7L (LS6)
Gages - 5.7L (LS6)
Master Electrical Component List
Instrument Cluster Description and Operation
Gages - 2.6L/3.2L/3.6L (LY9/LA3/LY7)
Cooling Fans - 5.7L (LS6)
Class 2 Serial Data Bus - LHD - 1 of 2
Engine Data Sensors - 5 Volt and Low Reference Buses