GM Service Manual Online
For 1990-2009 cars only
Makes
🢒
Generic
🢒
2003
🢒
Unit Repair
🢒 Sensor, Solenoid and GND Controls
Sensor, Solenoid and GND Controls
Sensor, Solenoid and GND Controls
Master Electrical Component List
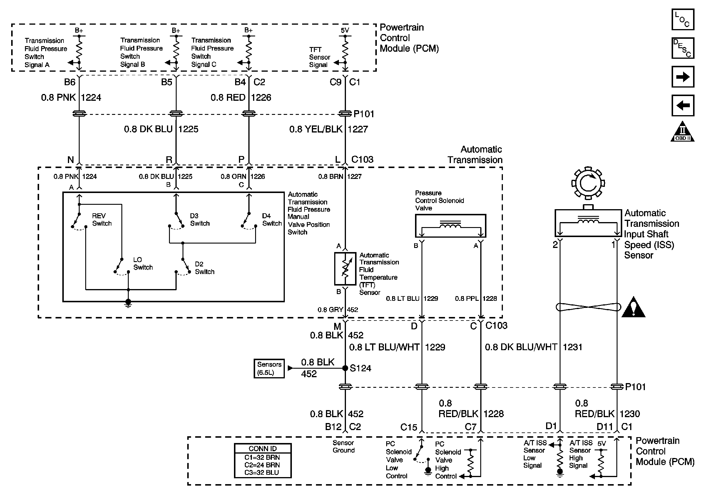
Electronic Component Description
VSS and Sensor Controls
Park/Neutral Position Switch
OBD II Symbol Description Notice
Automatic Transmission Schematic Icons
Automatic Transmission Control References 4L80-E