GM Service Manual Online
For 1990-2009 cars only
Makes
🢒
Generic
🢒
2003
🢒
Unit Repair
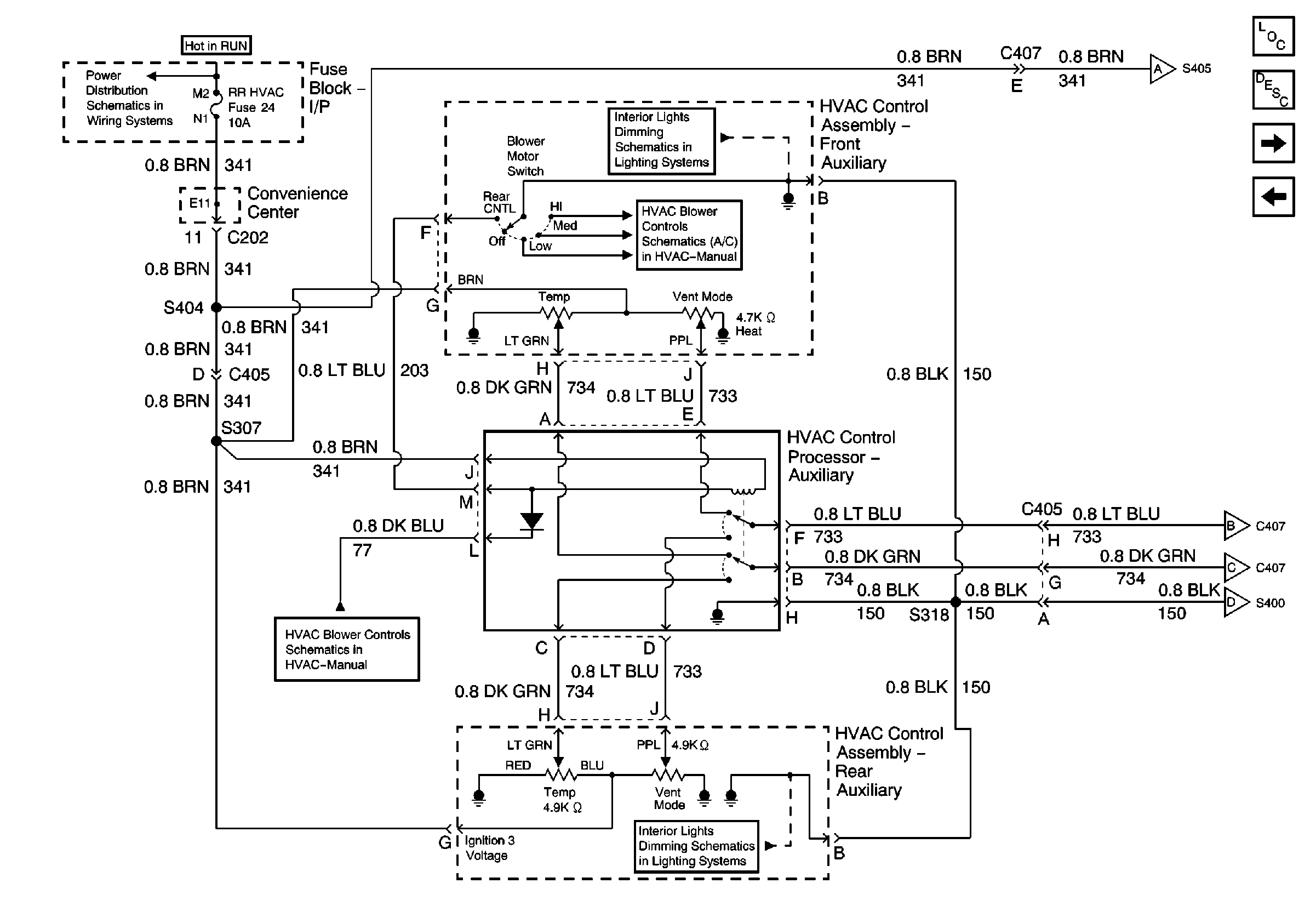
🢒 RR HVAC Fuse, Front and Rear Auxiliary HVAC Control Modules, Heater and A/C Control Logic Module (Passenger)
RR HVAC Fuse, Front and Rear Auxiliary HVAC Control Modules, Heater and A/C Control Logic Module (Passenger)
RR HVAC Fuse, Front and Rear Auxiliary HVAC Control Modules, Heater and A/C Control Logic Module (Passenger)
Master Electrical Component List
Air Temperature Description and Operation
RR HVAC Fuse, Front Auxiliary HVAC Control Module (Cargo)
HTR-A/C Fuse, Front Heater and A/C Controller, G201
Ignition A, Ignition B Fuses, and Ignition Switch
Front and Rear Auxiliary HVAC Control Modules (Passenger)
ILLUM and PARK LPS Fuses
Front and Rear Auxiliary HVAC Control Modules (Passenger)
Rear Auxiliary Mode Valve and Seal Assembly, Rear Auxiliary TemperAture Valve Assembly, G400
ILLUM and PARK LPS Fuses
Rear Auxiliary Mode Valve and Seal Assembly, Rear Auxiliary TemperAture Valve Assembly, G400