GM Service Manual Online
For 1990-2009 cars only
Makes
🢒
Generic
🢒
2003
🢒
Unit Repair
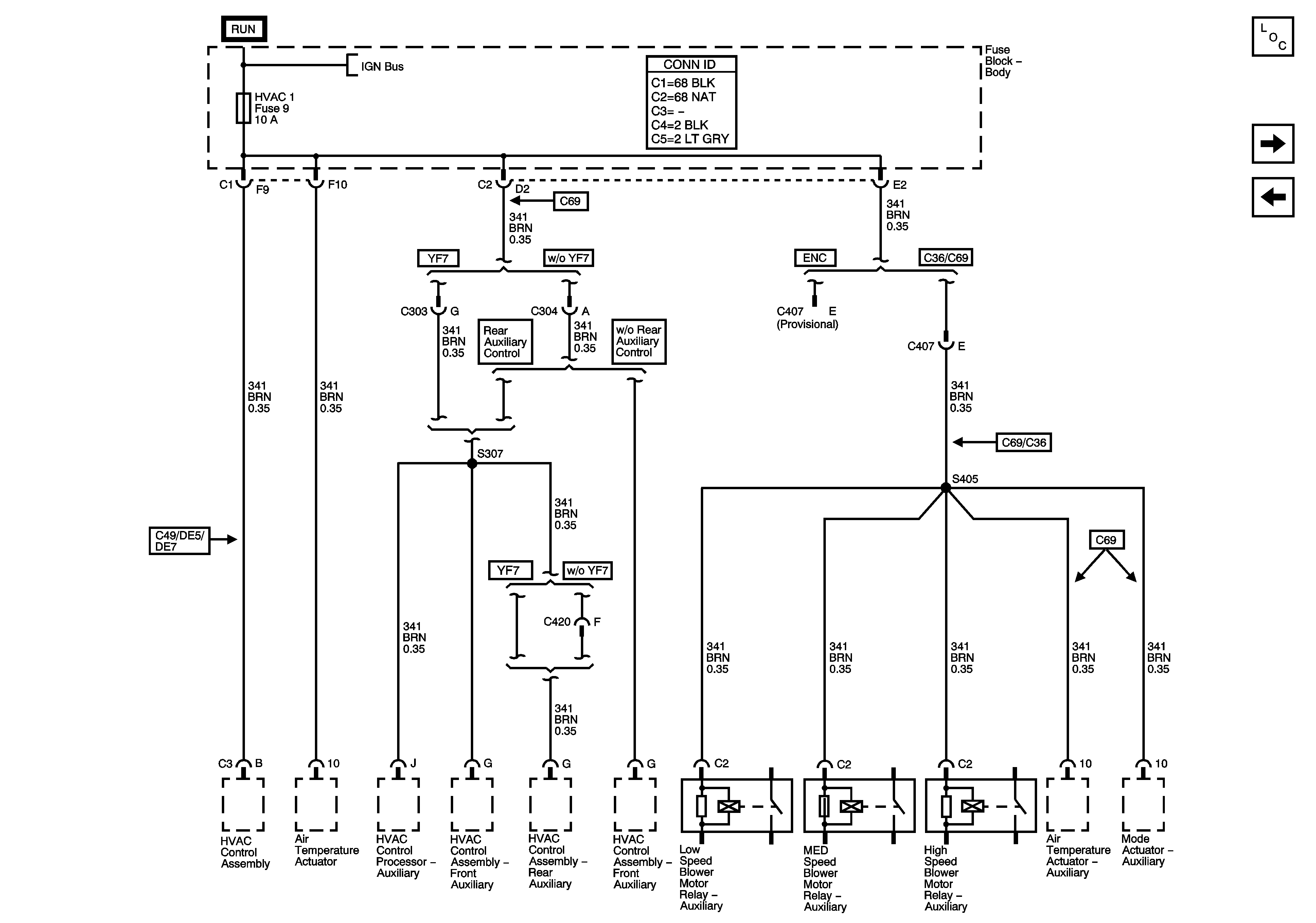
🢒 HVAC 1 Fuse
HVAC 1 Fuse
HVAC 1 Fuse
Master Electrical Component List
CRANK, IGN O, TBC ACC, FR WPR, BRKS, and HVAC Fuses
IGN B Fuse
IGN A Fuse