GM Service Manual Online
For 1990-2009 cars only
Makes
🢒
Generic
🢒
2003
🢒
Unit Repair
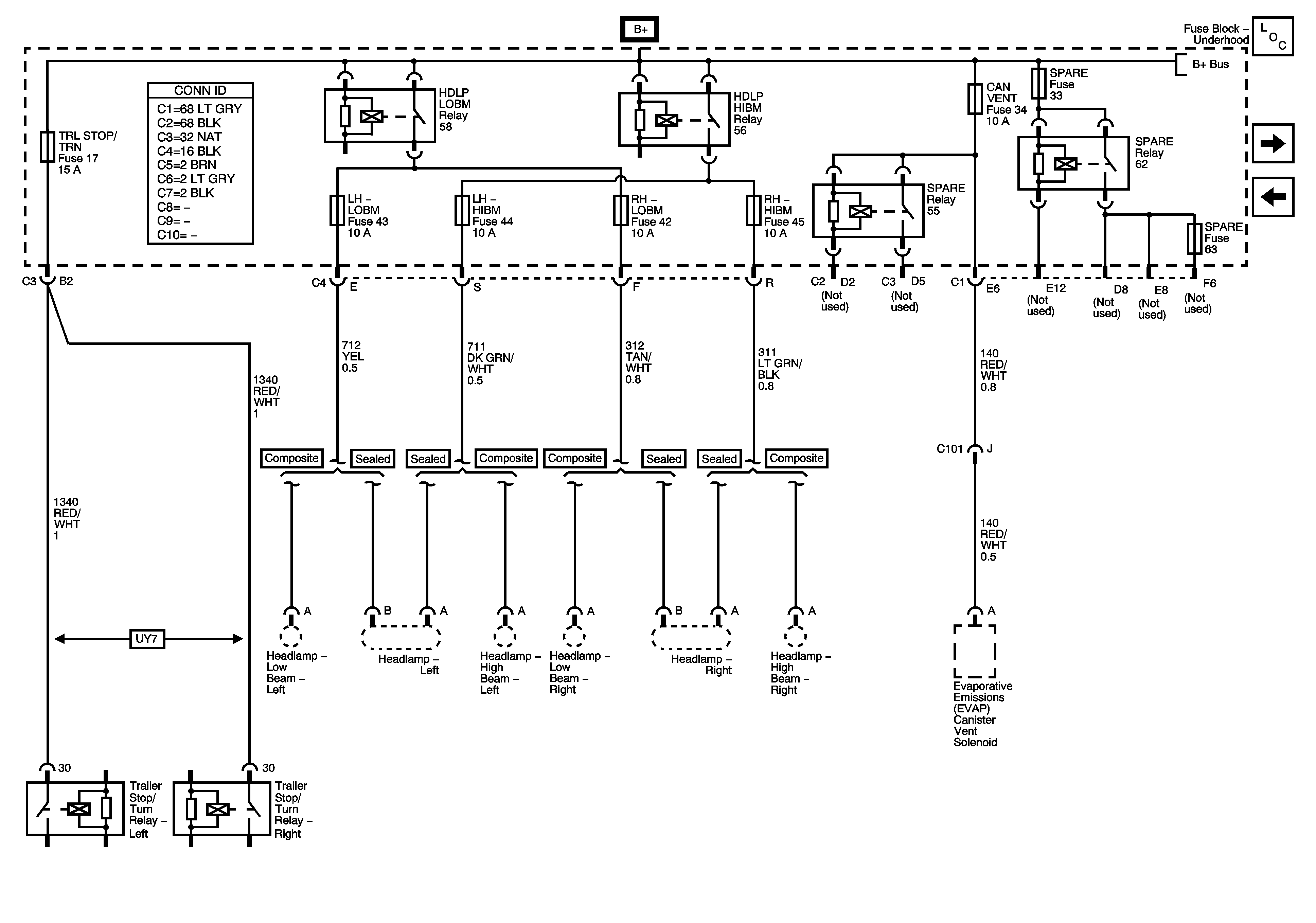
🢒 TRLR STOP/TRN, CAN VENT,LH-LOBM, RH-LOBM, LH-HIBM, and RH-HIBM Fuses
TRLR STOP/TRN, CAN VENT,LH-LOBM, RH-LOBM, LH-HIBM, and RH-HIBM Fuses
TRLR STOP/TRN, CAN VENT, LH - LOBM, RH - LOBM, LH - HIBM, and RH - HIBM Fuses
Master Electrical Component List
FRLR PRK, RR PRK, TRLR PRK, and UPFTR PRK Fuses
TBC, TBC 2, TBC 3, TBC 4,RADIO BAT, RR DEF/HTD MIR, FLASHER, and RFA Fuses, and PWR SEAT Circuit Breaker
B+ Bus - Underhood Fuse Block