GM Service Manual Online
For 1990-2009 cars only
Makes
🢒
Generic
🢒
2003
🢒
Unit Repair
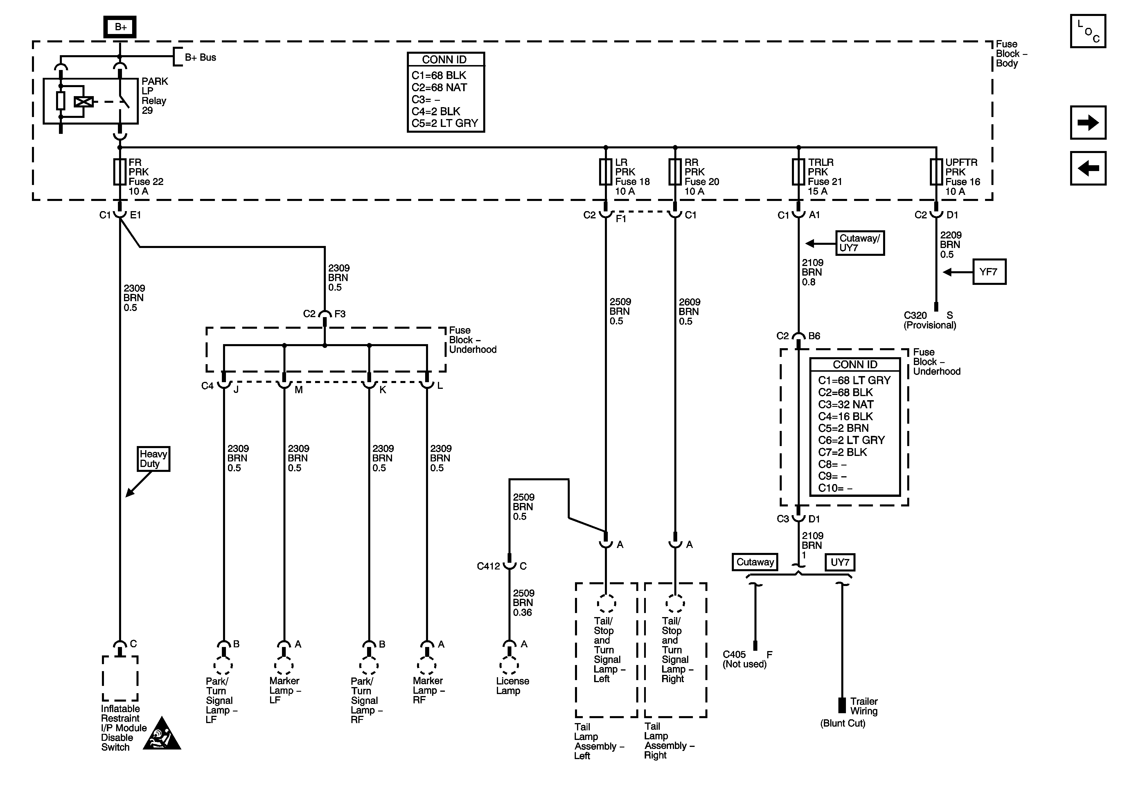
🢒 FRLR PRK, RR PRK, TRLR PRK, and UPFTR PRK Fuses
FRLR PRK, RR PRK, TRLR PRK, and UPFTR PRK Fuses
FR PRK, LR PRK, RR PRK, TRLR PRK, and UPFTR PRK Fuses
Master Electrical Component List
RR BLOWER, AUXILIARY 1, OSRVM, and SPARE Fuses, PWR WND Circuit Breaker
TRLR STOP/TRN, CAN VENT,LH-LOBM, RH-LOBM, LH-HIBM, and RH-HIBM Fuses
B+ Bus - Body Fuse Block
SIR Caution for Zoning