GM Service Manual Online
For 1990-2009 cars only
Makes
🢒
Generic
🢒
2003
🢒
Unit Repair
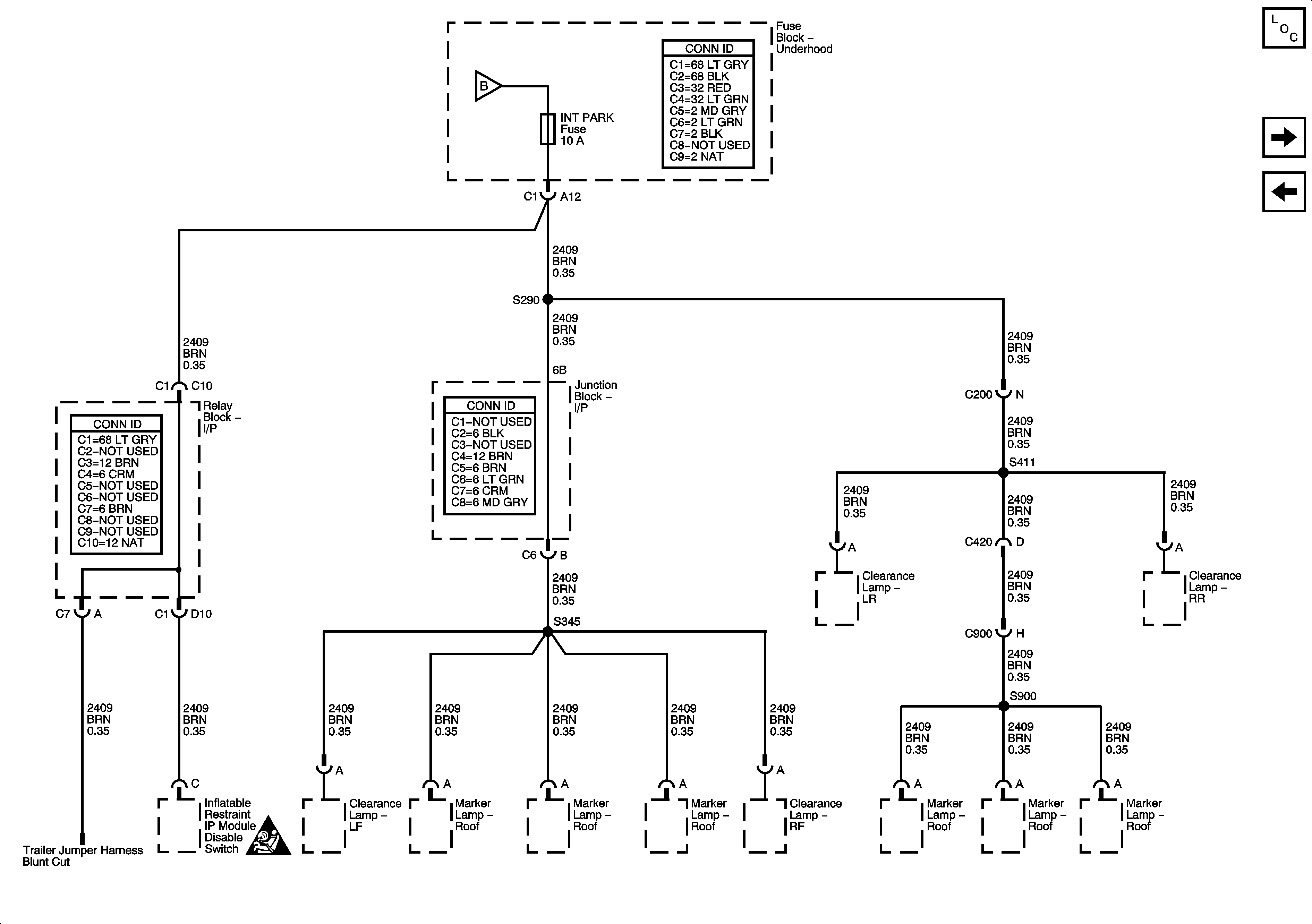
🢒 INT PARK Fuse
INT PARK Fuse
INT PARK Fuse
Master Electrical Component List
HORN, LO HDLP LT, LO HDLP RT, HI HDLP RT, and HI HDLP LT Fuses
TRL PARK, LR PARK, RR PARK, and FRT PARK Fuses
TRL PARK, LR PARK, RR PARK, and FRT PARK Fuses
SIR Caution for Zoning