GM Service Manual Online
For 1990-2009 cars only
Makes
🢒
Generic
🢒
2003
🢒
Unit Repair
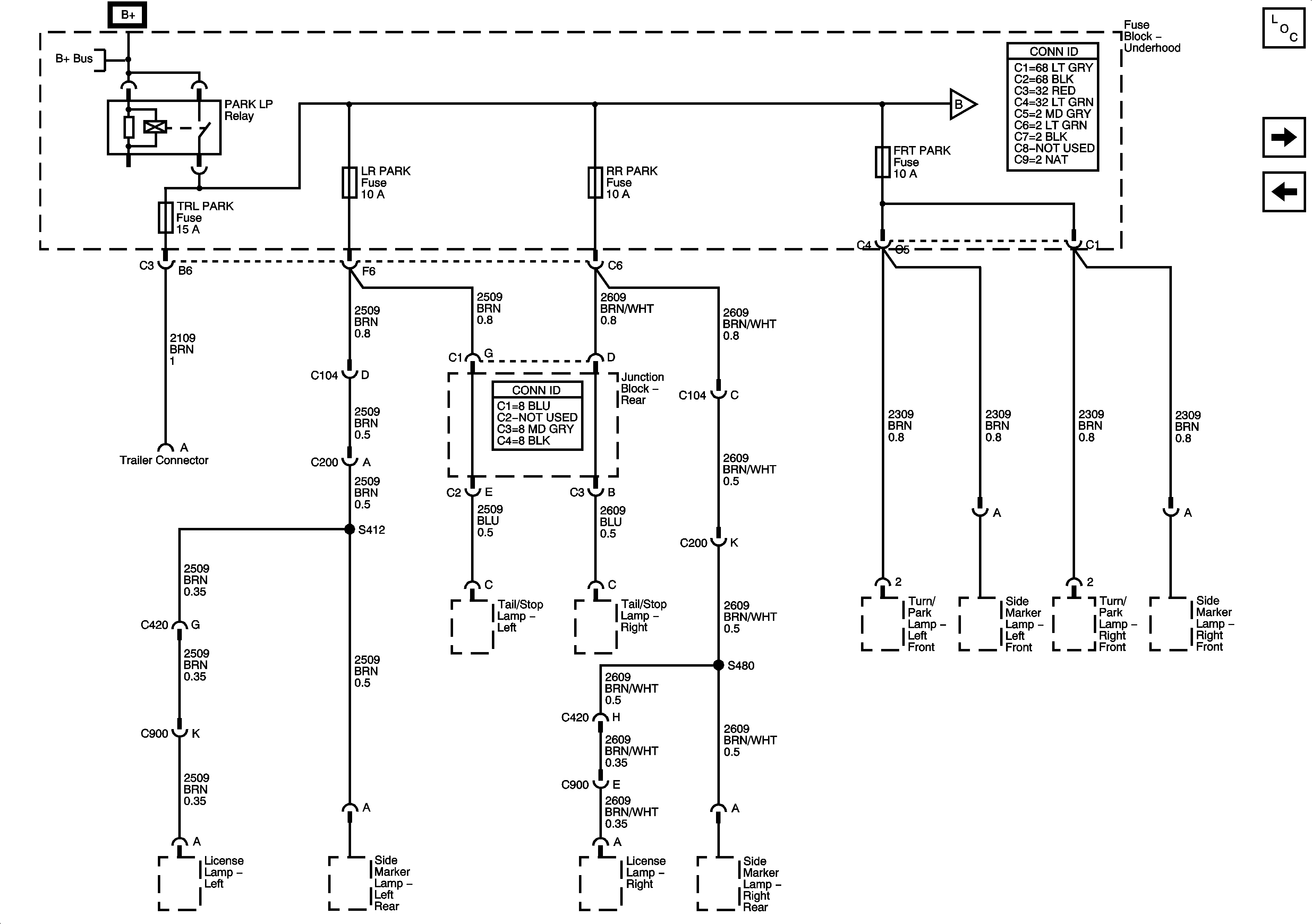
🢒 TRL PARK, LR PARK, RR PARK, and FRT PARK Fuses
TRL PARK, LR PARK, RR PARK, and FRT PARK Fuses
TRL PARK, LR PARK, RR PARK, and FRT PARK Fuses
Master Electrical Component List
INT PARK Fuse
CIG LTR, AUX PWR 1, SUNROOF, RADIO, and RADIO AMP Fuses
B+ Bus
INT PARK Fuse