GM Service Manual Online
For 1990-2009 cars only
Makes
🢒
Generic
🢒
2003
🢒
Unit Repair
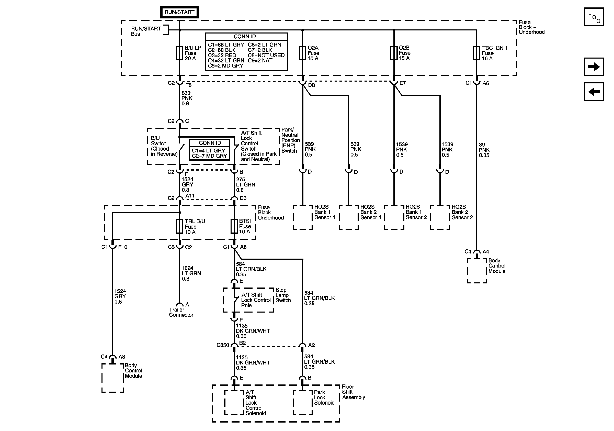
🢒 B/U LP, O2A, O2B, TBC IGN1, TRL B/U, and BTSI Fuses
B/U LP, O2A, O2B, TBC IGN1, TRL B/U, and BTSI Fuses
B/U LP, O2A, O2B, TBC IGN1, TRL B/U, and BTSI Fuses
Master Electrical Component List
SEO IGN, SIR, and IGN E Fuses
HORN, LO HDLP LT, LO HDLP RT, HI HDLP RT, and HI HDLP LT Fuses
ACCY/RUN/ and RUN/START Bus Bars