GM Service Manual Online
For 1990-2009 cars only
Makes
🢒
Generic
🢒
2003
🢒
Unit Repair
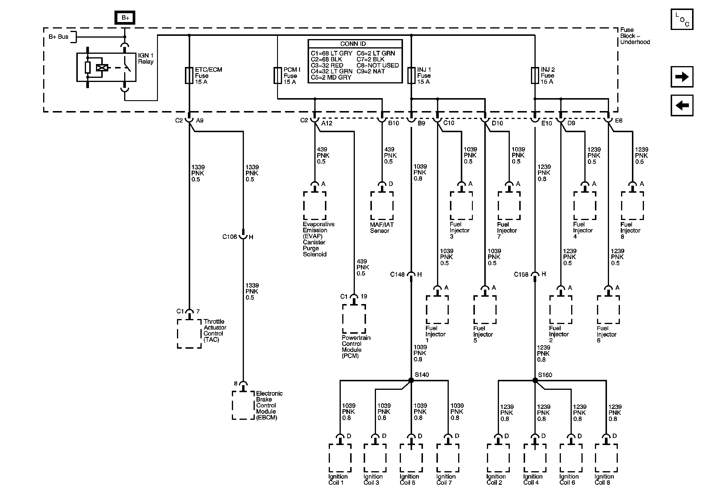
🢒 ETC, PCM, INJ 1, and INJ 2 Fuses
ETC, PCM, INJ 1, and INJ 2 Fuses
ETC/ECM, PCM I, INJ 1, and INJ 2 Fuses
Master Electrical Component List
WS WPR, SEO ACCY, RR WPR, and TBC ACCY Fuses
SEO IGN, SIR, and IGN E Fuses
B+ Bus