GM Service Manual Online
For 1990-2009 cars only
Makes
🢒
Generic
🢒
2003
🢒
Unit Repair
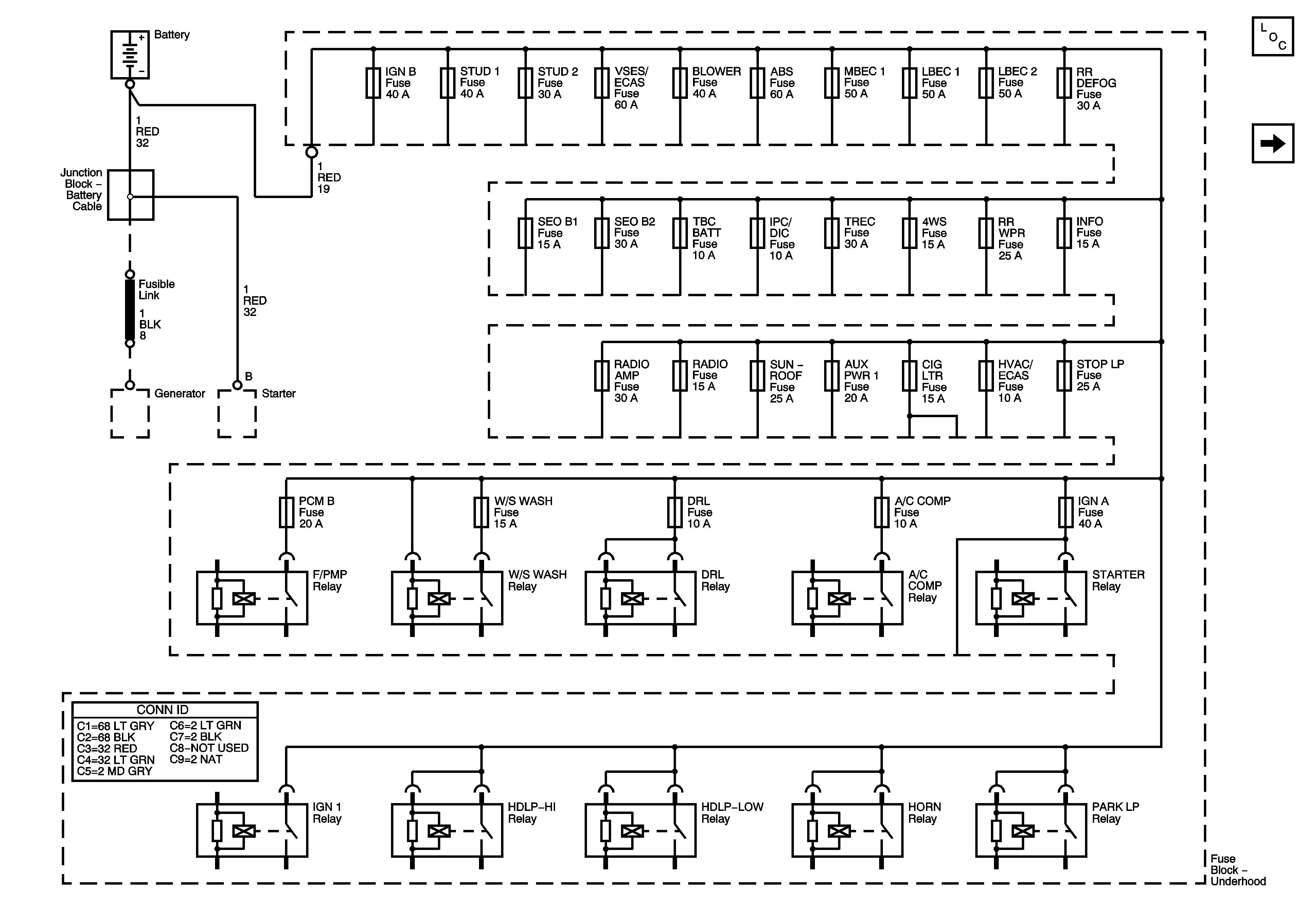
🢒 B+ Bus
B+ Bus
B+ Bus
Master Electrical Component List
ACCY/RUN/START, RUN, and START Bus Bars, CRANK Fuse