GM Service Manual Online
For 1990-2009 cars only
Makes
🢒
Generic
🢒
2003
🢒
Unit Repair
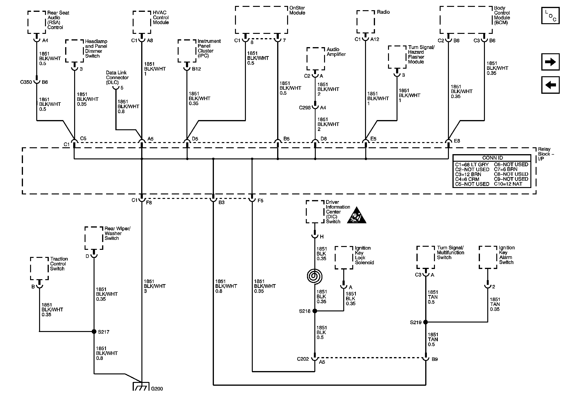
🢒 G200
G200
G200
Master Electrical Component List
CKT 1050, S213 and S301
G104 and G106
SIR Caution for Zoning