GM Service Manual Online
For 1990-2009 cars only
Makes
🢒
Generic
🢒
2003
🢒
Unit Repair
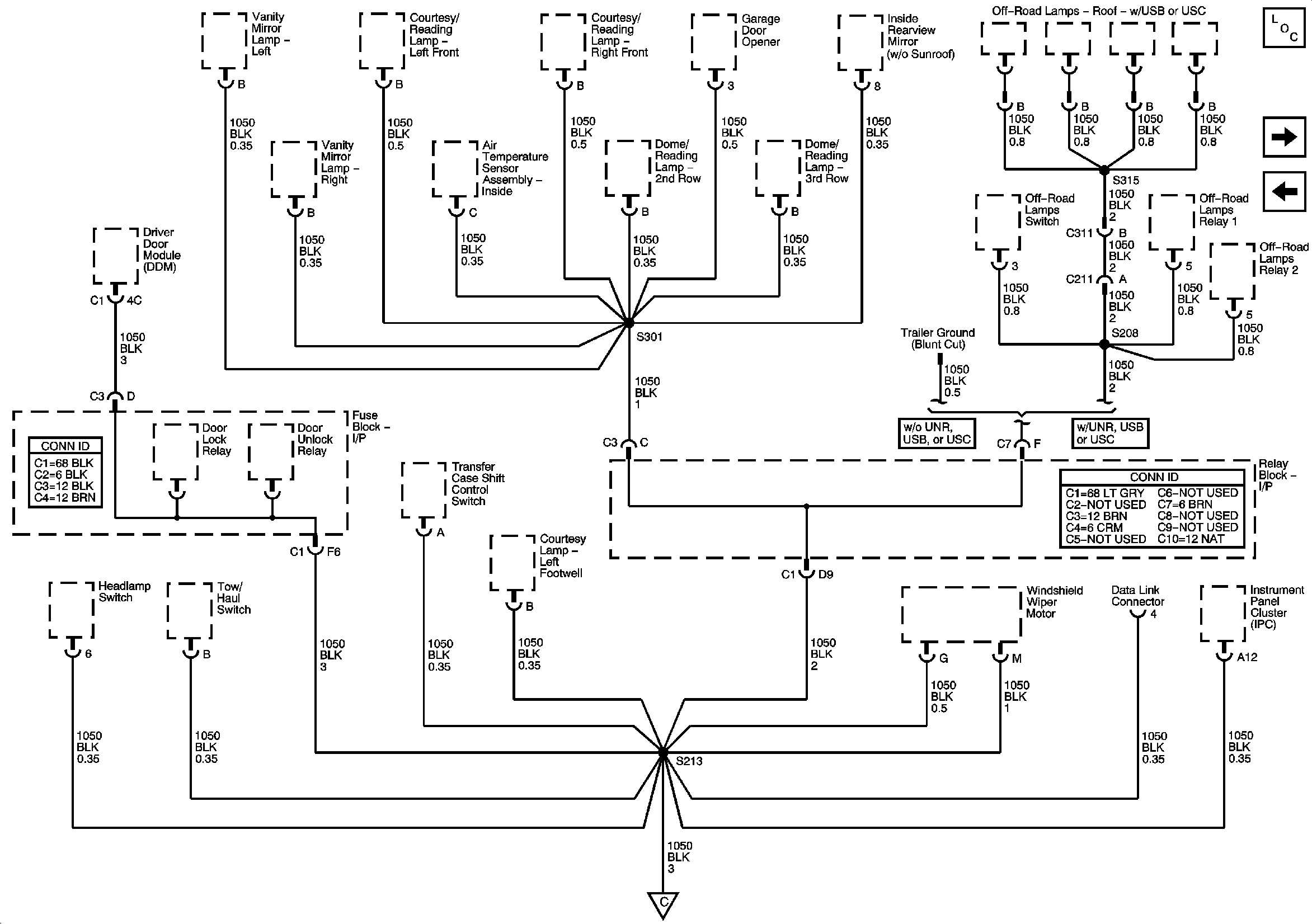
🢒 CKT 1050, S213 and S301
CKT 1050, S213 and S301
CKT 1050, S213 and S301
Master Electrical Component List
CKT 1050, S203, S215, S302, S303, and S351
G200
CKT 1050, S203, S215, S302, S303, and S351