GM Service Manual Online
For 1990-2009 cars only
Makes
🢒
Generic
🢒
2003
🢒
Unit Repair
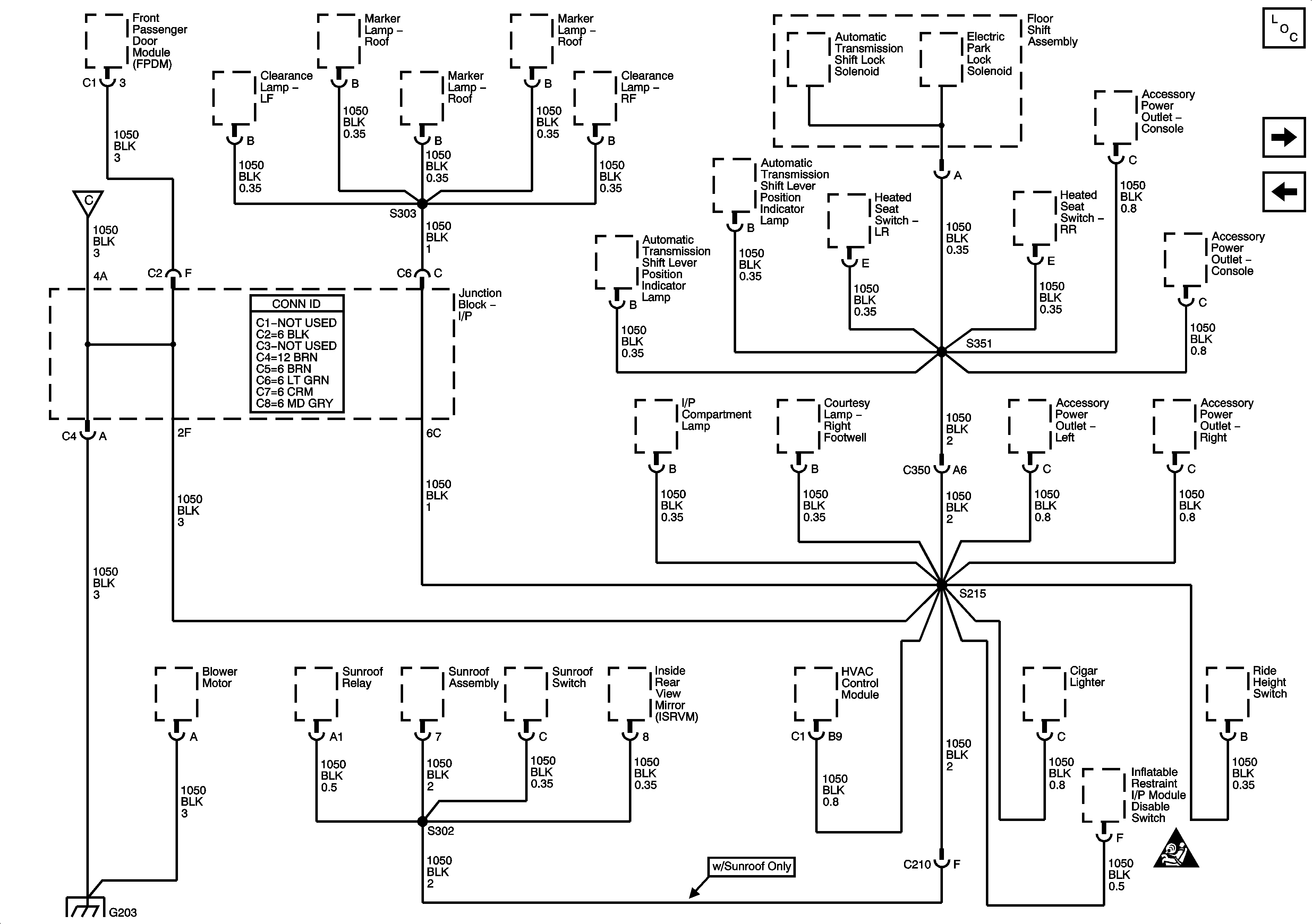
🢒 CKT 1050, S203, S215, S302, S303, and S351
CKT 1050, S203, S215, S302, S303, and S351
CKT 1050, G203, S215, S302, S303, and S351
Master Electrical Component List
G302, G304, and G306
CKT 1050, S213 and S301
CKT 1050, S213 and S301
SIR Caution for Zoning