GM Service Manual Online
For 1990-2009 cars only
Makes
🢒
Generic
🢒
2003
🢒
Unit Repair
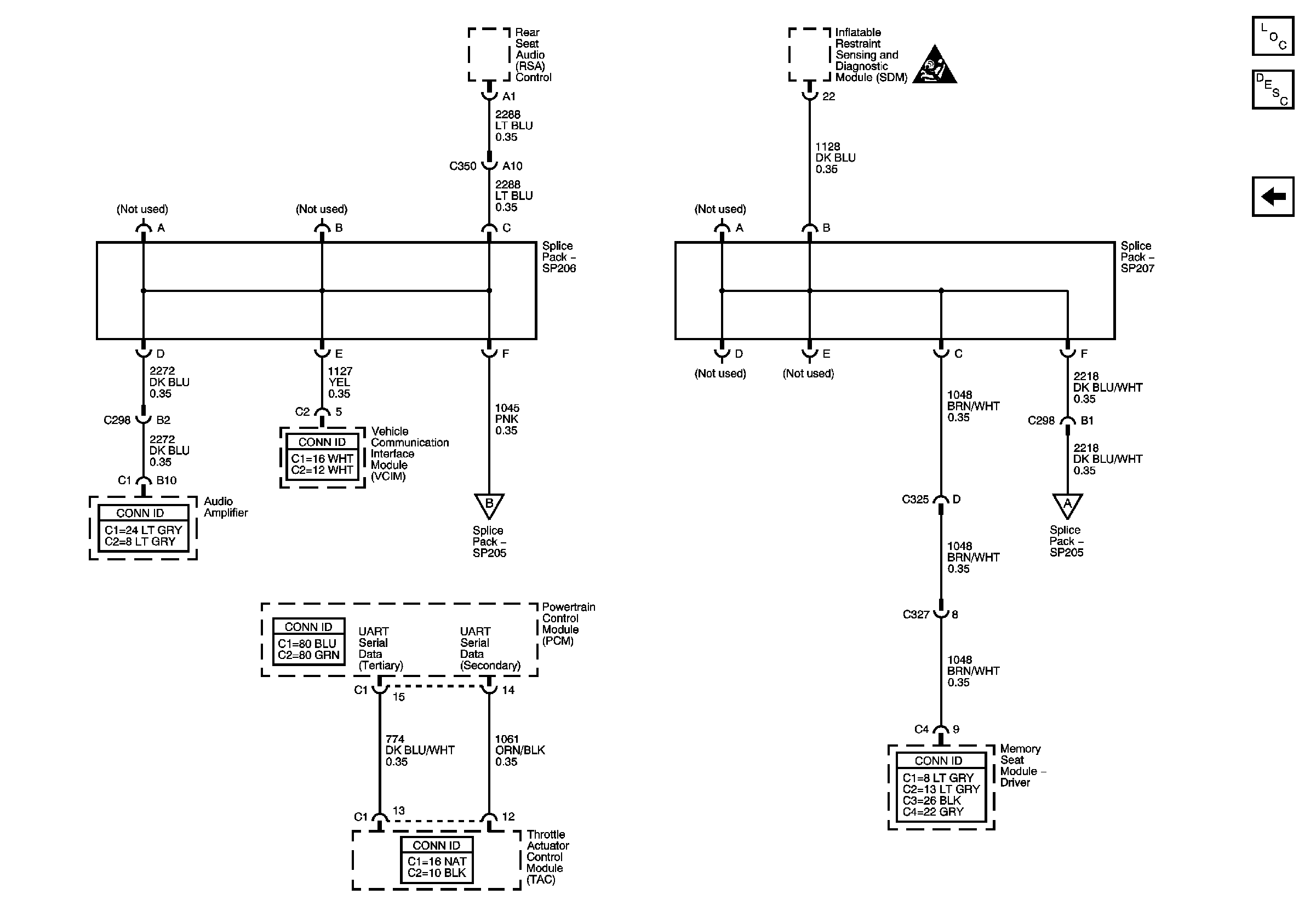
🢒 Splice Pack SP206, SP207 and Dedicated TAC Serial Data Circuits
Splice Pack SP206, SP207 and Dedicated TAC Serial Data Circuits
Splice Packs SP206, SP207 and Dedicated TAC Serial Data Circuits
Master Electrical Component List
Data Link Communications Description and Operation
Power, Ground, DLC, and Splice Pack SP205
Power, Ground, DLC, and Splice Pack SP205
Power, Ground, DLC, and Splice Pack SP205
SIR Caution for Zoning