GM Service Manual Online
For 1990-2009 cars only
Makes
🢒
Generic
🢒
2003
🢒
Unit Repair
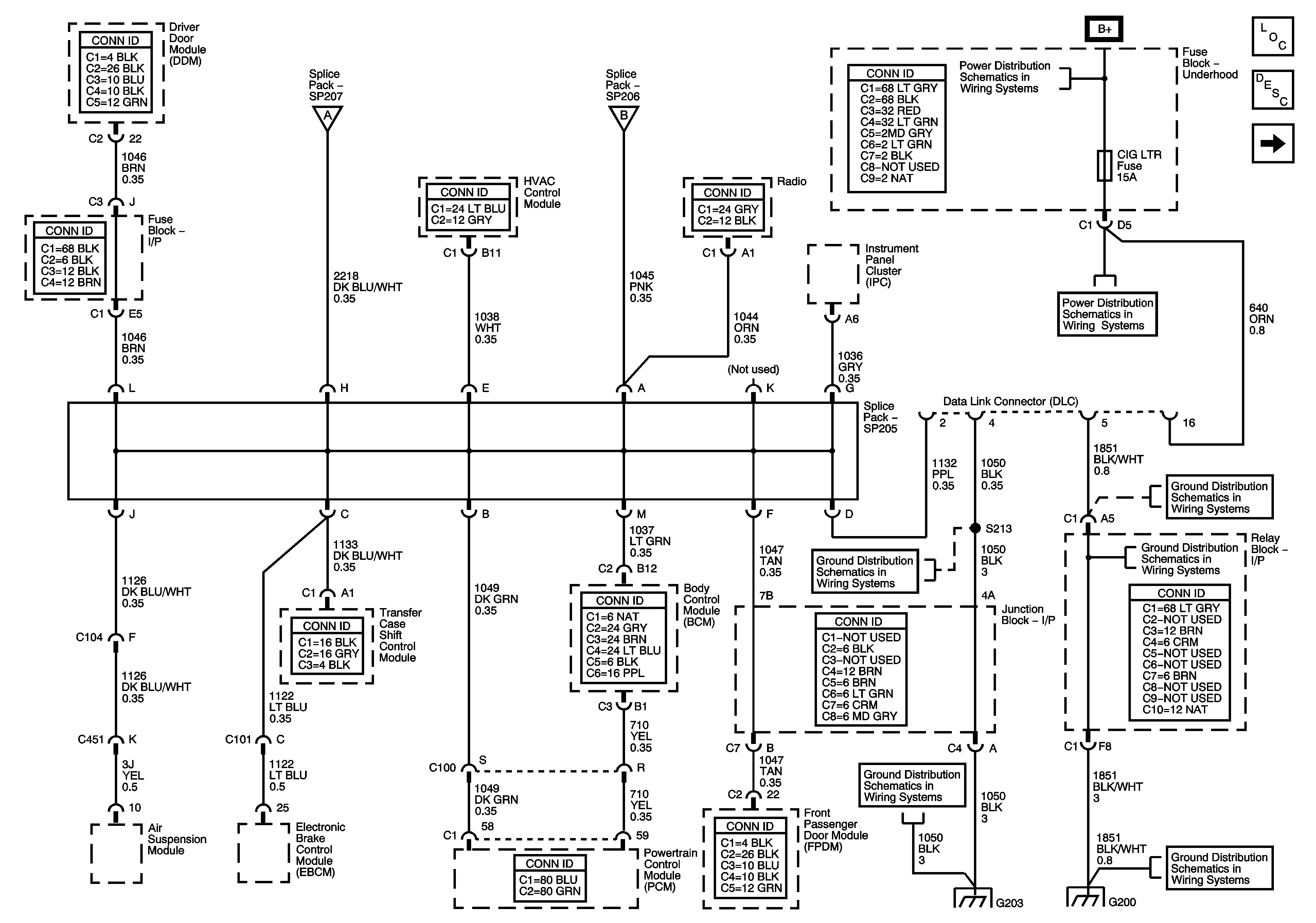
🢒 Power, Ground, DLC, and Splice Pack SP205
Power, Ground, DLC, and Splice Pack SP205
Power, Ground, DLC, and Splice Pack SP-205
Master Electrical Component List
Data Link Communications Description and Operation
Splice Pack SP206, SP207 and Dedicated TAC Serial Data Circuits
Splice Pack SP206, SP207 and Dedicated TAC Serial Data Circuits
Splice Pack SP206, SP207 and Dedicated TAC Serial Data Circuits
CIG LTR, AUX PWR 1, SUNROOF, RADIO, and RADIO AMP Fuses
CIG LTR, AUX PWR 1, SUNROOF, RADIO, and RADIO AMP Fuses
G200
G200
G200
CKT 1050, S203, S215, S302, S303, and S351
CKT 1050, S213 and S301