GM Service Manual Online
For 1990-2009 cars only
Makes
🢒
Generic
🢒
2003
🢒
Unit Repair
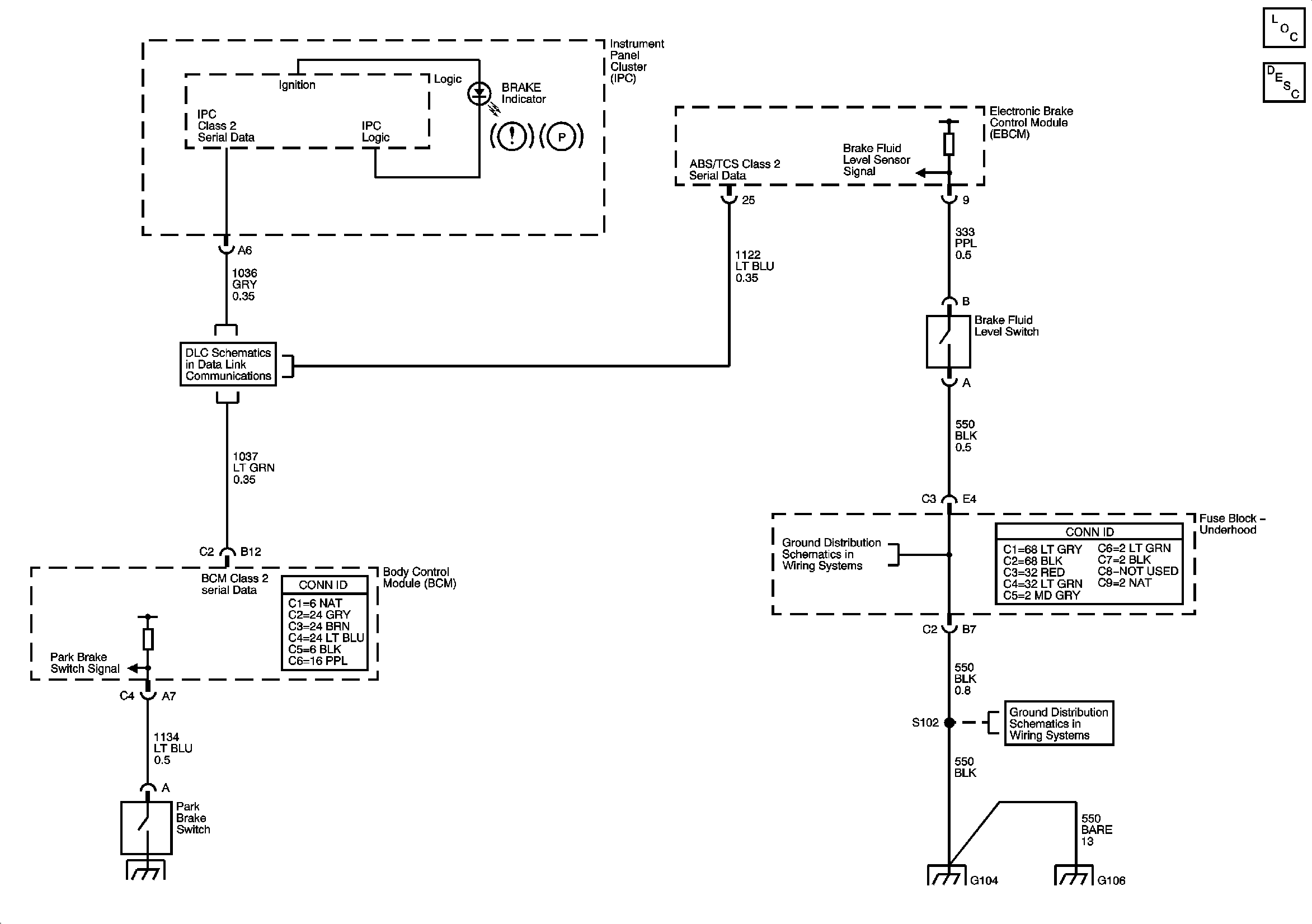
🢒 Brake Warning System Schematics
Brake Warning System Schematics
Master Electrical Component List
Brake Warning System Description and Operation
Power, Ground, DLC, and Splice Pack SP205
G104 and G106
G104 and G106