GM Service Manual Online
For 1990-2009 cars only
Makes
🢒
Generic
🢒
2003
🢒
Unit Repair
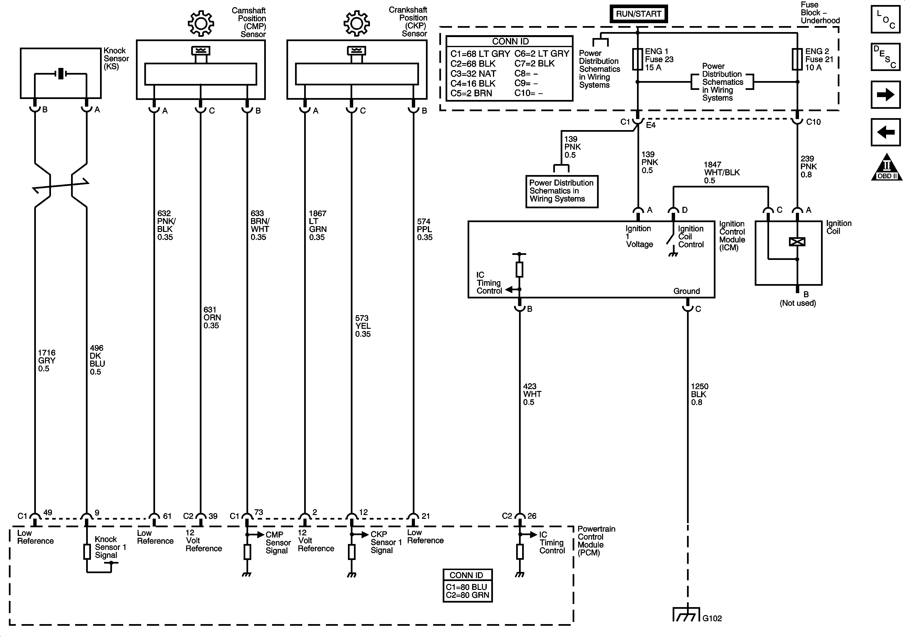
🢒 Ignition Controls
Ignition Controls
Ignition Controls
Master Electrical Component List
Powertrain Control Module Description
Fuel Controls
Oxygen Sensors
OBD II Symbol Description Notice
ENG 1, and ENG 2 Fuses - 4.3L
ENG 1, and ENG 2 Fuses - 4.3L
Fuel and Device Controls
G102