GM Service Manual Online
For 1990-2009 cars only
Makes
🢒
Generic
🢒
2003
🢒
Unit Repair
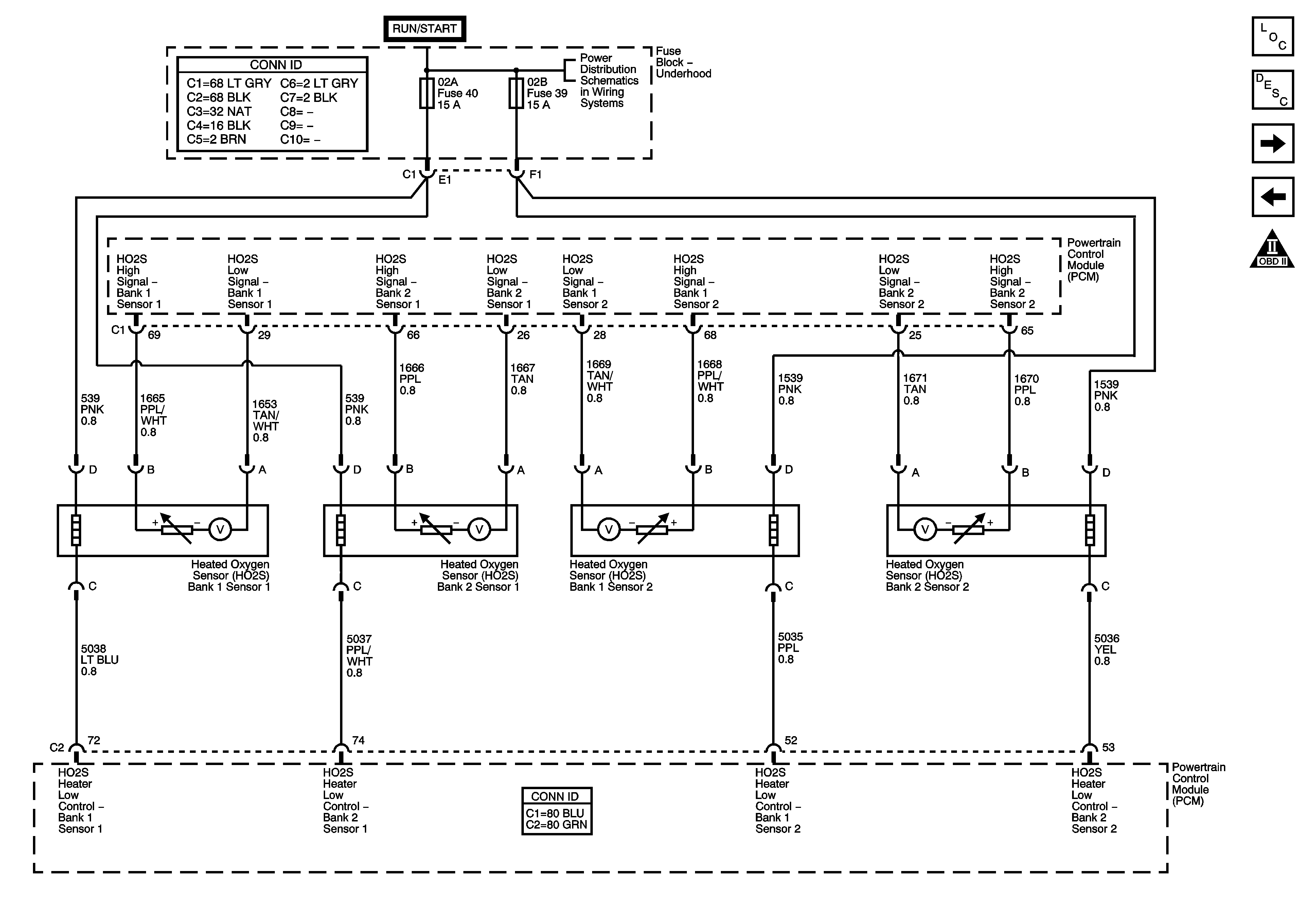
🢒 Oxygen Sensors
Oxygen Sensors
Oxygen Sensors
Master Electrical Component List
Powertrain Control Module Description
Ignition Controls
Engine Data Sensors
OBD II Symbol Description Notice
IGN B Fuse