GM Service Manual Online
For 1990-2009 cars only
Makes
🢒
Generic
🢒
2003
🢒
Unit Repair
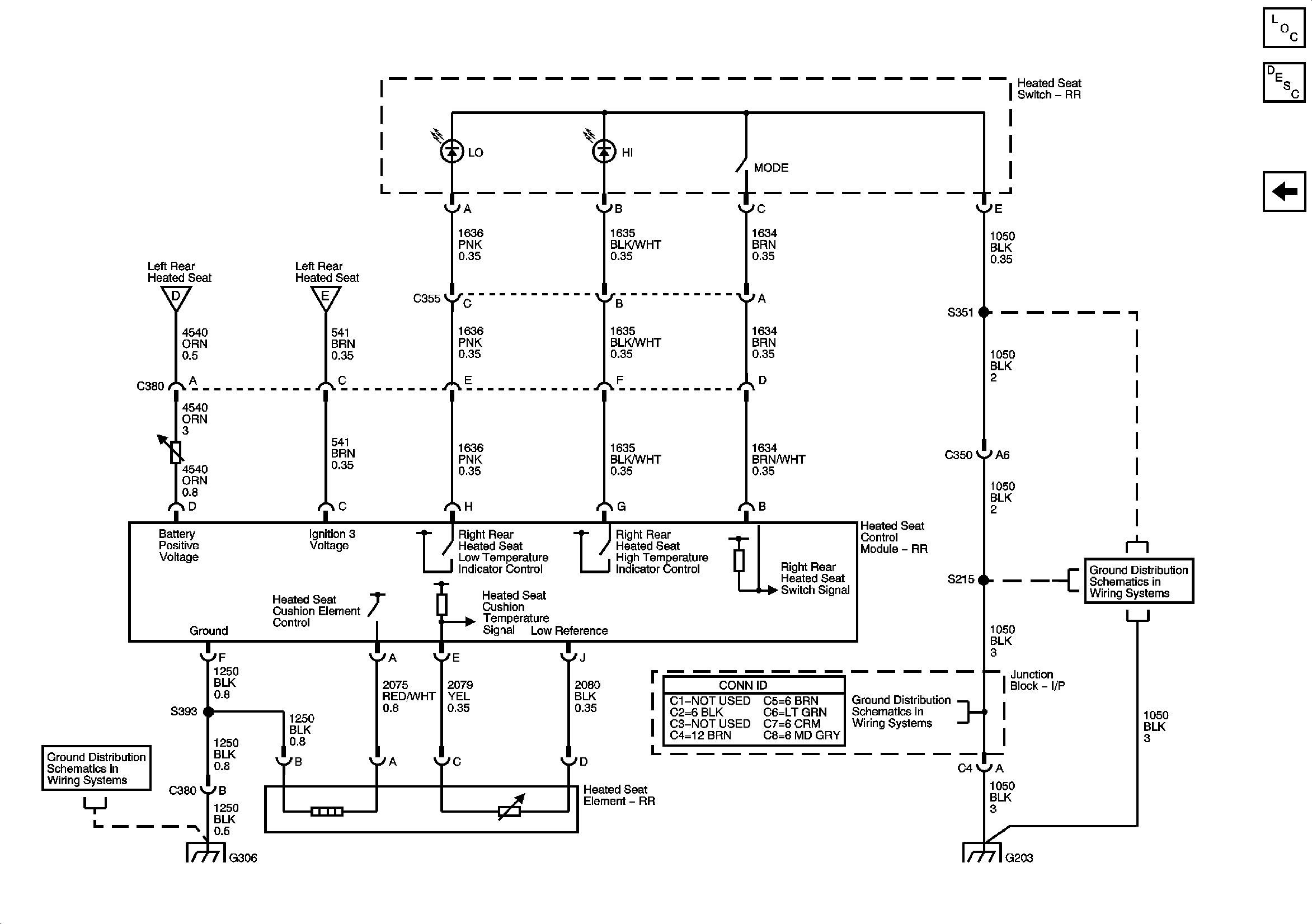
🢒 Right Rear Heated Seat
Right Rear Heated Seat
Right Rear Heated Seat
Master Electrical Component List
Heated Seats Description and Operation Front
Left Rear Heated Seat
Left Rear Heated Seat
Left Rear Heated Seat
CKT 1050, S203, S215, S302, S303, and S351
CKT 1050, S203, S215, S302, S303, and S351
G302, G304, and G306