GM Service Manual Online
For 1990-2009 cars only
Makes
🢒
Generic
🢒
2003
🢒
Unit Repair
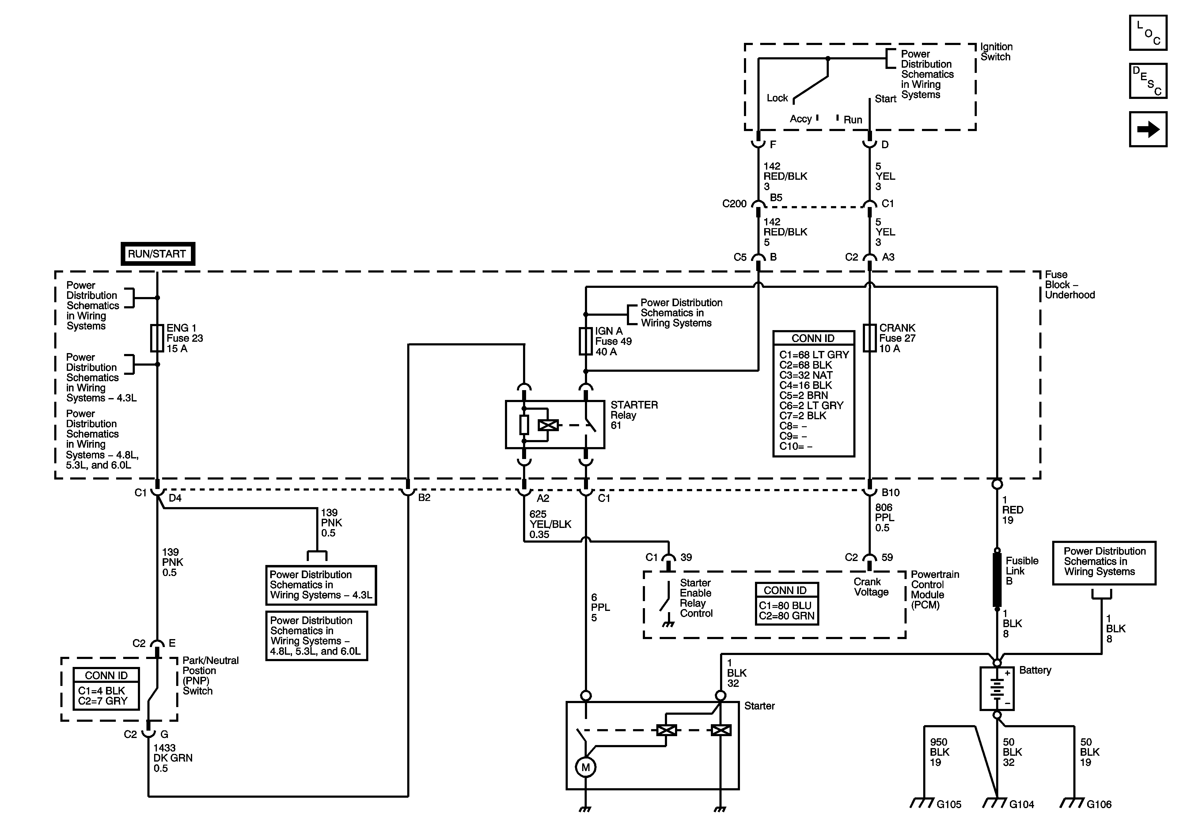
🢒 Starting System
Starting System
Starting System
Master Electrical Component List
Starting System Description and Operation
Charging System
IGN A Fuse
IGN B Fuse
ENG 1, and ENG 2 Fuses - 4.3L
ENG 1, and ENG 2 Fuses - 4.8L, 5.3L, and 6.0L
ENG 1, and ENG 2 Fuses - 4.3L
ENG 1, and ENG 2 Fuses - 4.8L, 5.3L, and 6.0L
B+ Bus - Underhood Fuse Block
B+ Bus - Underhood Fuse Block