GM Service Manual Online
For 1990-2009 cars only
Makes
🢒
Generic
🢒
2003
🢒
Unit Repair
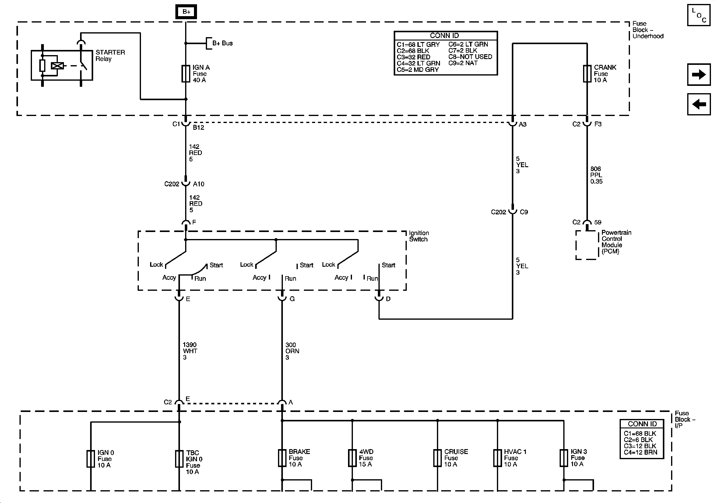
🢒 ACCY/RUN/START, RUN, and START Bus Bars, CRANK Fuse
ACCY/RUN/START, RUN, and START Bus Bars, CRANK Fuse
ACCY/RUN/START, RUN, and START Bus Bars, CRANK Fuse
Master Electrical Component List
ACCY/RUN/ and RUN/START Bus Bars
B+ Bus
B+ Bus