GM Service Manual Online
For 1990-2009 cars only
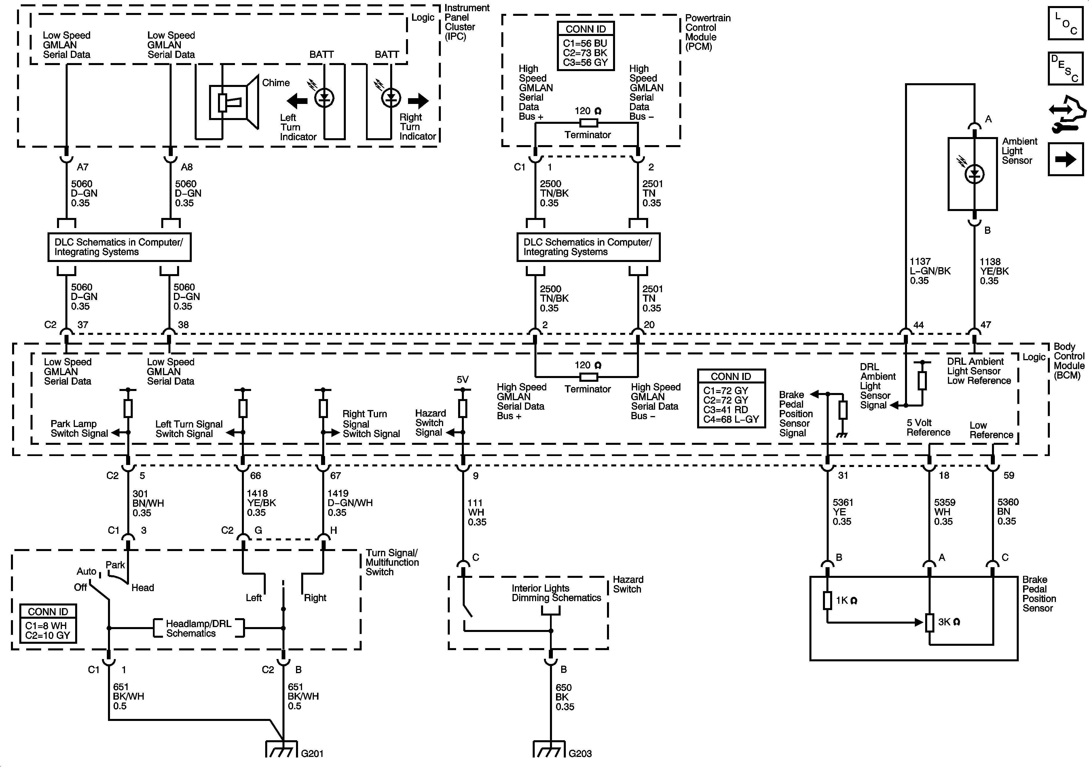
Figure 1:

Ambient Light Sensor, Brake Pedal Position Sensor, Hazard Switch and Turn Signal/Multifunction Switch


Object Number: 1475570  Size: FS
Master Electrical Component List
Exterior Lighting Systems Description and Operation
Control Module References
Turn Signals and Stop Lamps
Low Speed Serial Data
Power, Ground, Class2 and High Speed Serial Data
Headlights/Daytime Running Lights (DRL) Schematics
Dimmer Switch Inputs
G201
G203
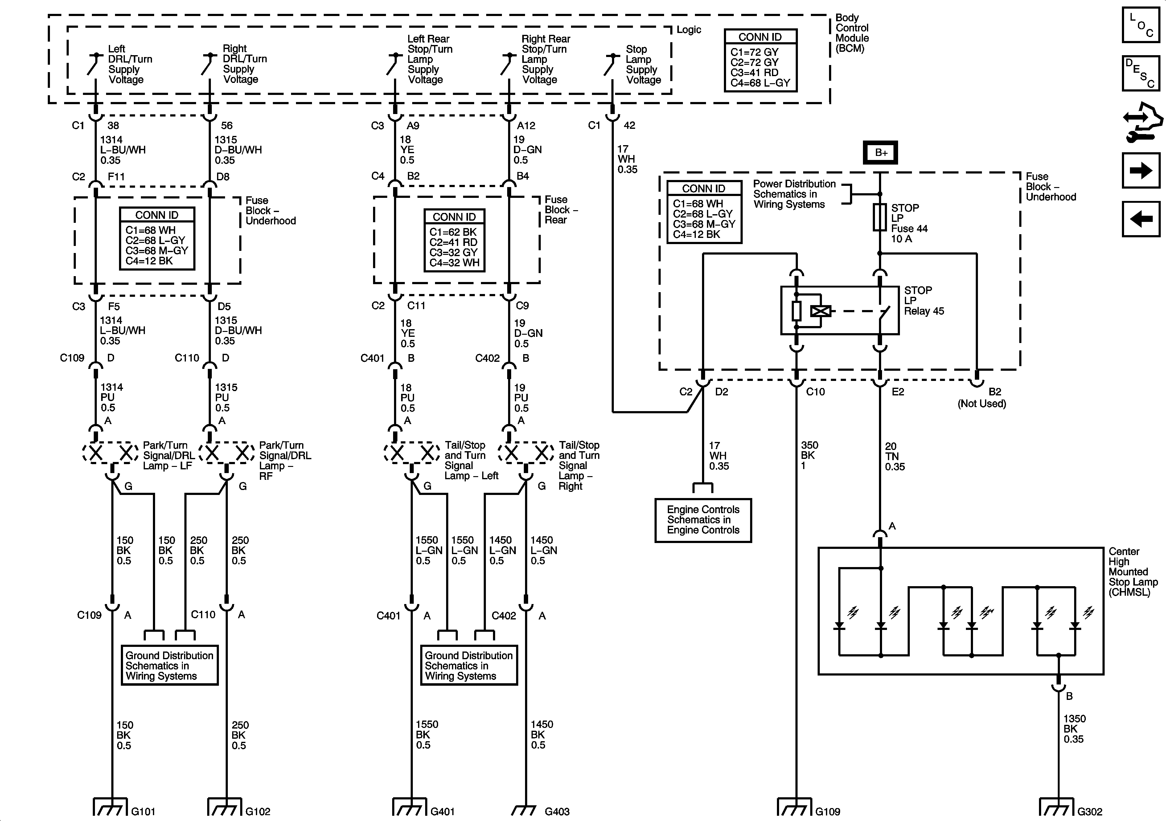
Figure 2:

Turn Signals and Stop Lamps


Object Number: 1475571  Size: FS
Master Electrical Component List
Exterior Lighting Systems Description and Operation
Control Module References
Park Lamps
Ambient Light Sensor, Brake Pedal Position Sensor, Hazard Switch and Turn Signal/Multifunction Switch
Underhood Fuse Block B+ Bus
Engine Data Sensors - Electronic Throttle Controls
G101 and G102
G401 and G403
G101 and G102
G101 and G102
G401 and G403
G401 and G403
G109
G302
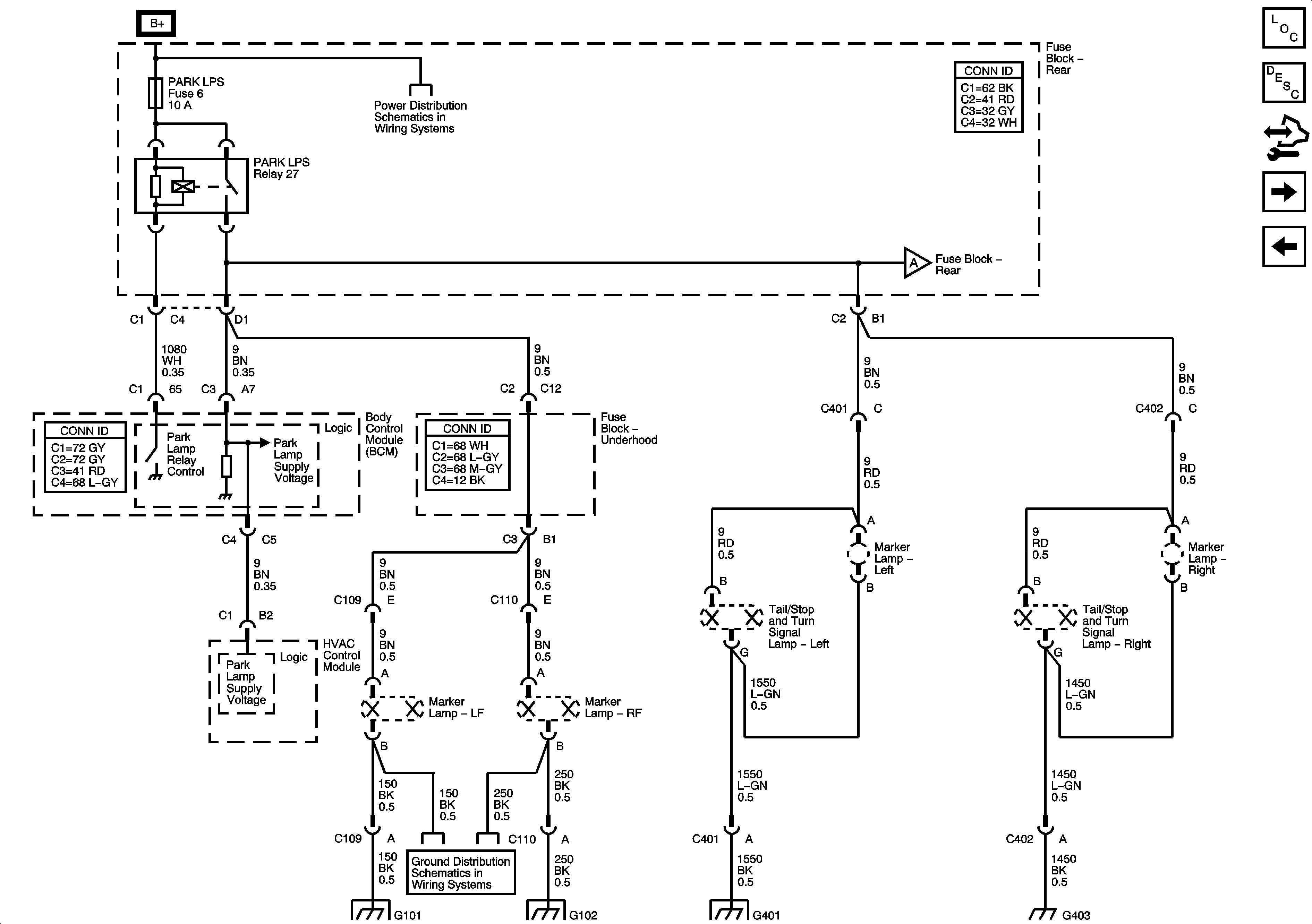
Figure 3:

Park Lamps


Object Number: 1475573  Size: FS
Master Electrical Component List
Exterior Lighting Systems Description and Operation
Control Module References
License Lamps and Backup Lamps
Turn Signals and Stop Lamps
Underhood Fuse Block RUN RLY, RBEC 2, Rear Fuse Block DRV ST, FUEL, PARK LPS, TRUNK and EMISSION 2 Fuses
License Lamps and Backup Lamps
G101 and G102
G101 and G102
G101 and G102
G401 and G403
G401 and G403
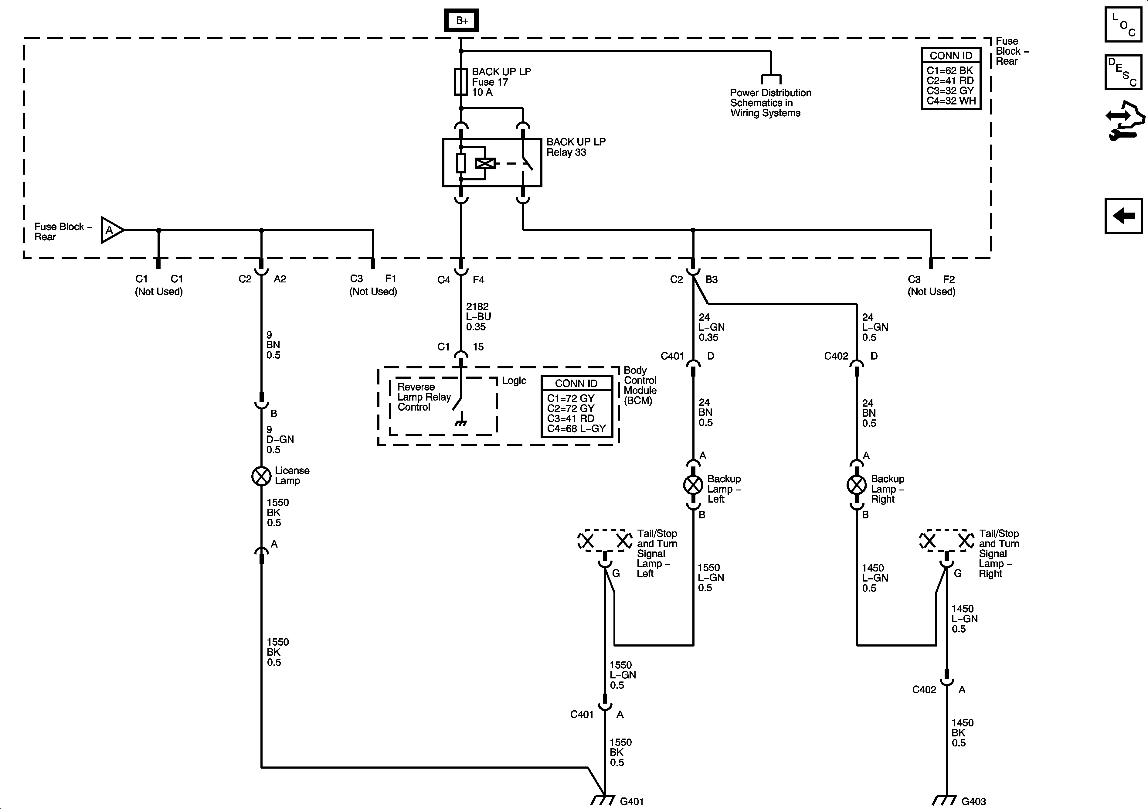
Figure 4:

License Lamps and Backup Lamps


Object Number: 1475576  Size: FS
Master Electrical Component List
Exterior Lighting Systems Description and Operation
Control Module References
Park Lamps
Park Lamps
Underhood Fuse Block RBEC 1 Fuse and Rear Fuse Block CIG/AUX, SUN RF, RKE/XM, STOP LP, BACK UP LP, RR DEFOG, HTD MIR and HTD ST Fuses
G401 and G403
G401 and G403
G401 and G403