GM Service Manual Online
For 1990-2009 cars only
Makes
🢒
Generic
🢒
2005
🢒
Unit Repair
🢒
Body
🢒
Wiring Systems
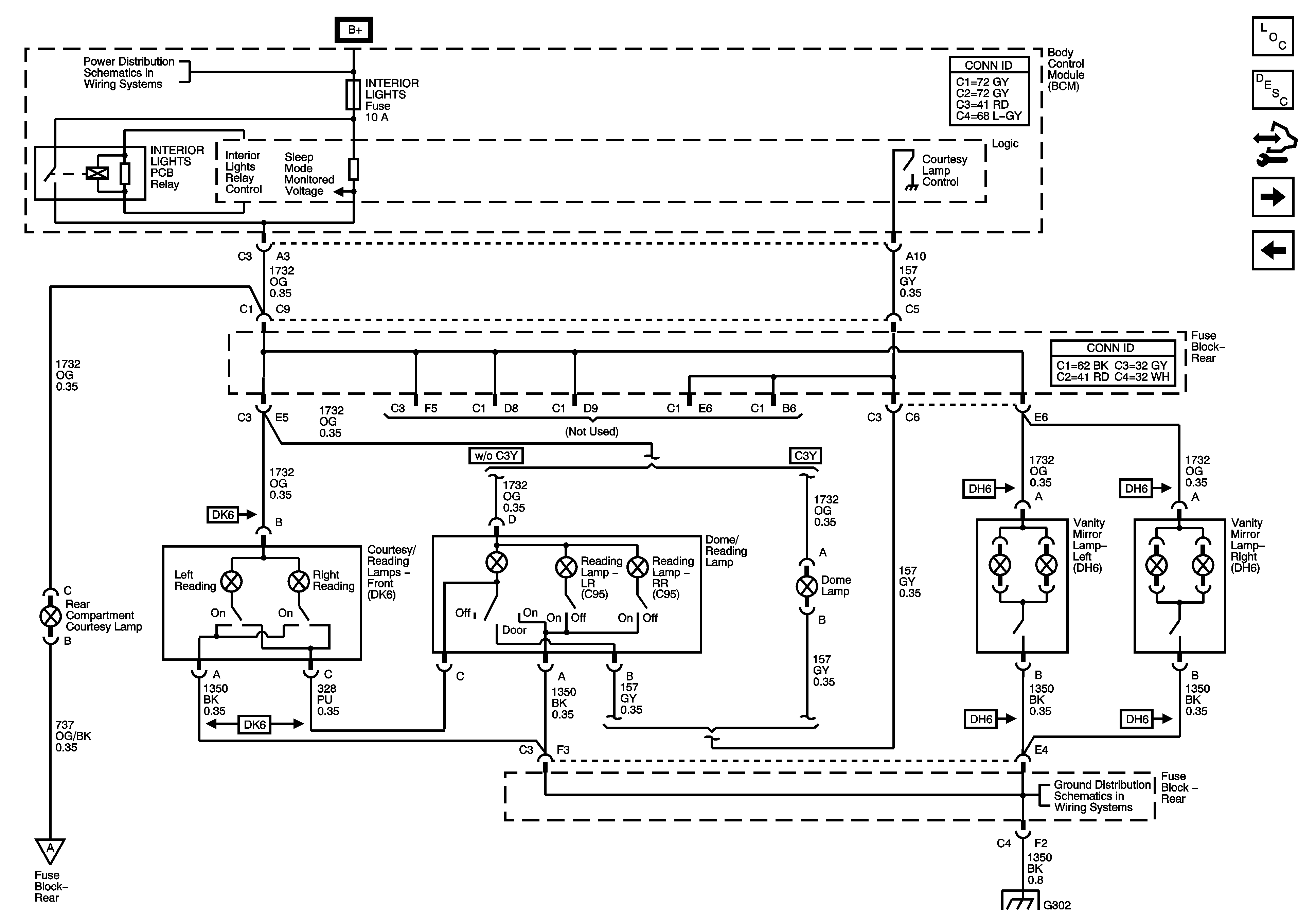
🢒 Interior Lights Schematics
Figure
1:
Inputs
Master Electrical Component List
Interior Lighting Systems Description and Operation
Control Module References
Outputs
Outputs
Body Rear End Schematics
G302
Door Lock Switches
G301
G301
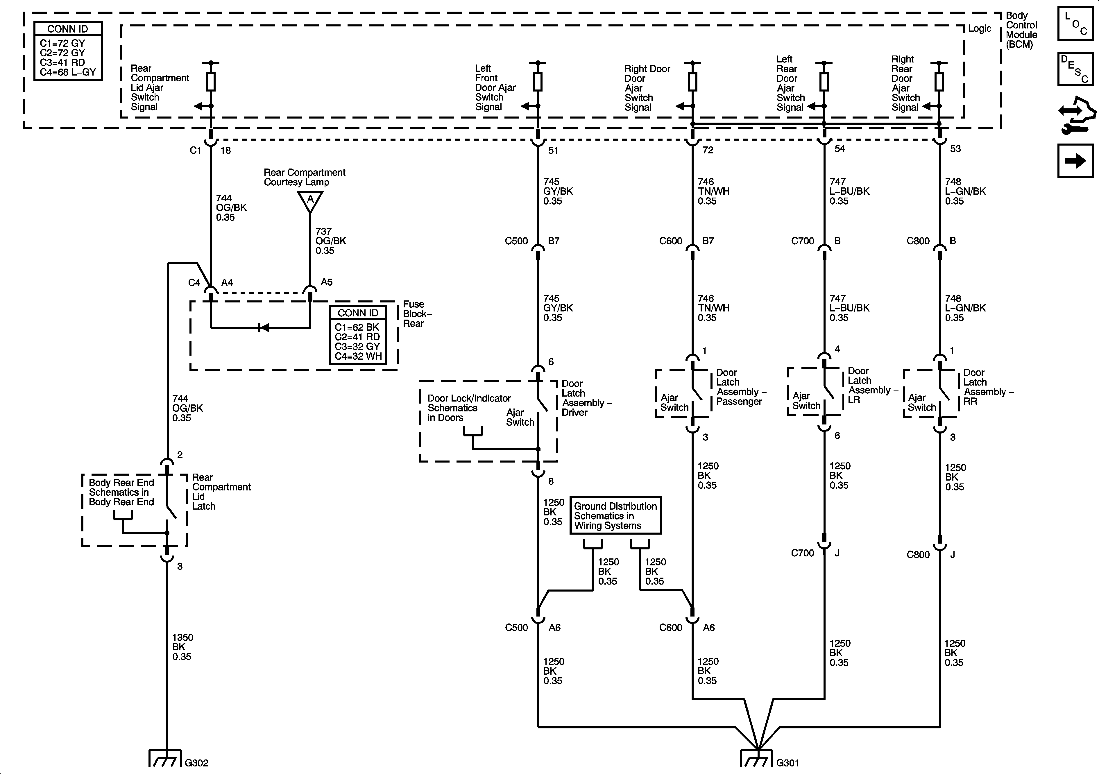
Figure
2:
Outputs
Master Electrical Component List
Interior Lighting Systems Description and Operation
Control Module References
Inputs
Body Control Module (BCM) INTERIOR LIGHTS, POWER MIRRORS, PEDAL and ONSTAR Fuses
Inputs
G302
G302