GM Service Manual Online
For 1990-2009 cars only
Makes
🢒
Generic
🢒
2005
🢒
Unit Repair
🢒
Steering
🢒
Power Steering System
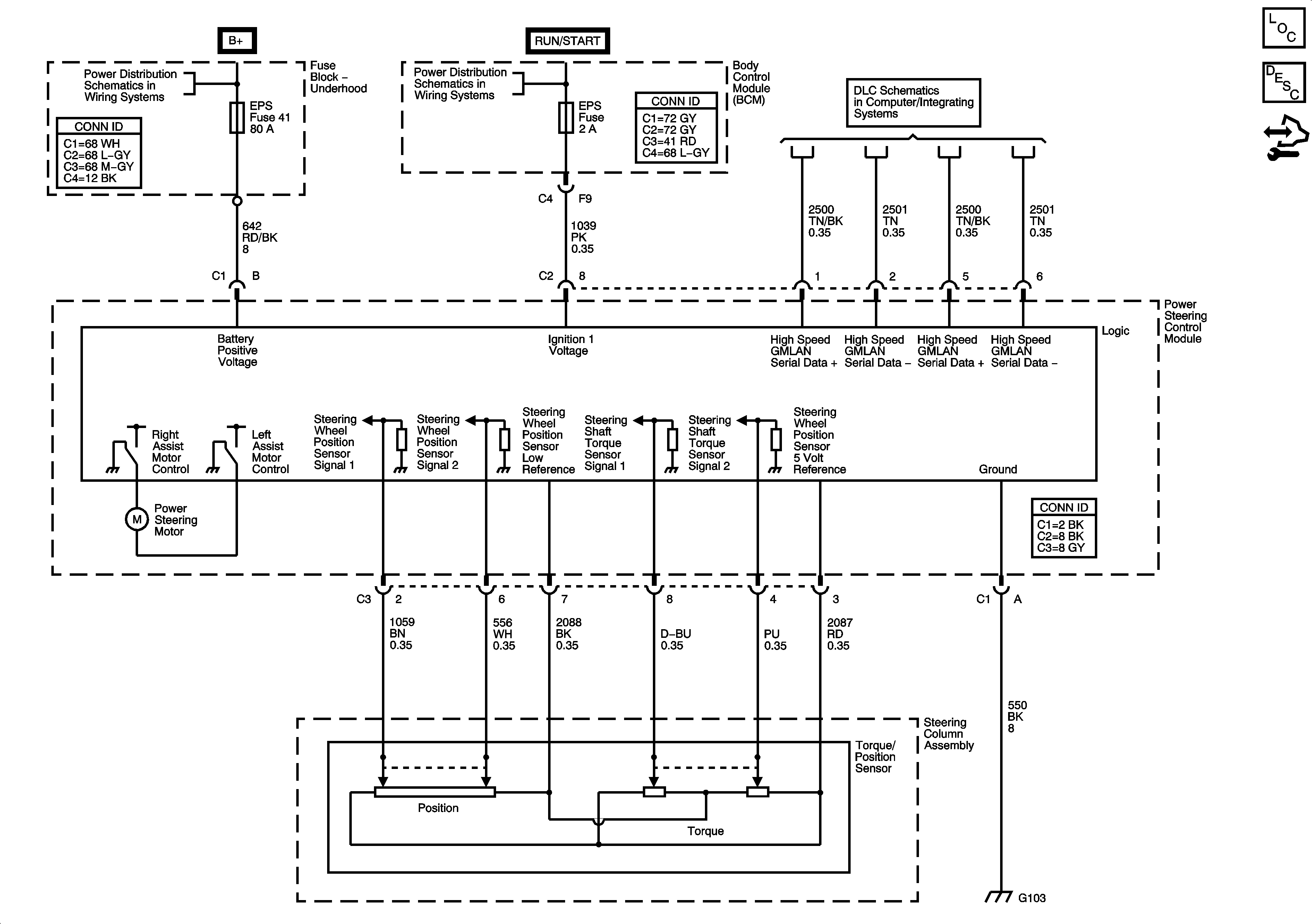
🢒 Power Steering Schematics
Master Electrical Component List
ABS Description and Operation
Control Module References
Underhood Fuse Block PCM, ABS, EPS, IBCM 1, IBCM 2, LH LOW, RH LOW, LH HIGH and RH HIGH Fuses
Underhood Fuse Block RUN/RLY, IBCM (R/C), Body Control Module (BCM) HVAC BLOWER, HVAC HEAD/ECC, EPS, AIR BAG and RUN/CRANK Fuses
Power, Ground, Class2 and High Speed Serial Data