GM Service Manual Online
For 1990-2009 cars only
Makes
🢒
Generic
🢒
2005
🢒
Unit Repair
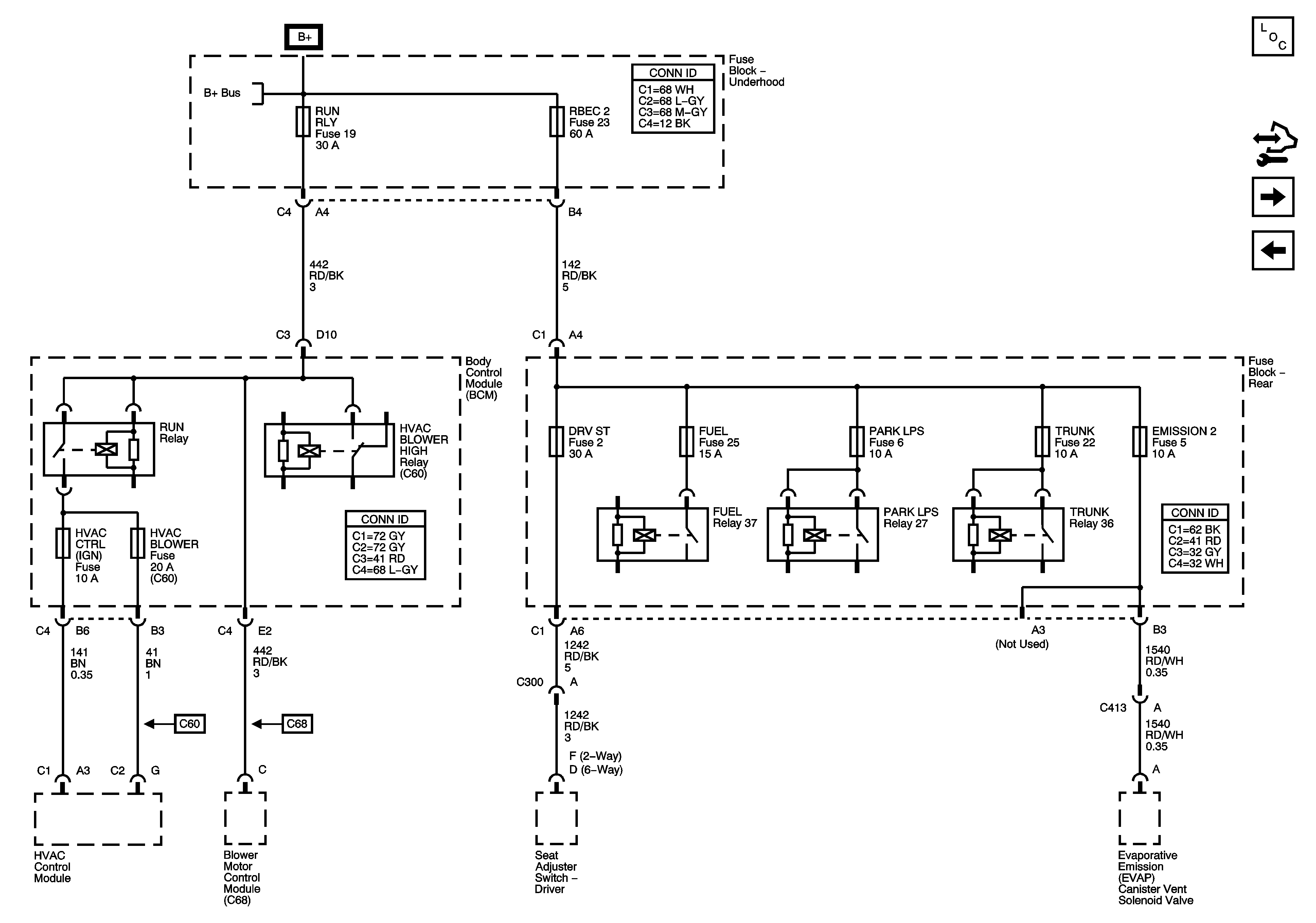
🢒 Underhood Fuse Block - Run Relay, RBEC Battery 2 Fuses, Rear Fuse BLock - Driver Power Seat, Fuel Pump, Park Lamps, Trunk Release, ERLS Fuses
Underhood Fuse Block - Run Relay, RBEC Battery 2 Fuses, Rear Fuse BLock - Driver Power Seat, Fuel Pump, Park Lamps, Trunk Release, ERLS Fuses
Underhood Fuse Block - Run Relay, RBEC Batt 2 Fuses, Rear Fuse Block - Driver Pwr Seat, Fuel Pump, Park Lamps, Trunk Release, ERLS Fuses
Master Electrical Component List
Control Module References
PCM Batt, ABS, EPS, ICBM Batt1, ICBM Batt2 Fuses
Underhood Fuse Block - RBEC Fuse Rear Fuse Block - Cigar/Aux Power, Sunroof,RKEW/SM/DVD/UGD, Stop Lamp, Rear Defog, HTD Mirror, AUX PWR, HTD Seat Fuses
B+ Bussing