GM Service Manual Online
For 1990-2009 cars only
Makes
🢒
Generic
🢒
2005
🢒
Unit Repair
🢒 Indicators
Indicators
Indicators
Master Electrical Component List
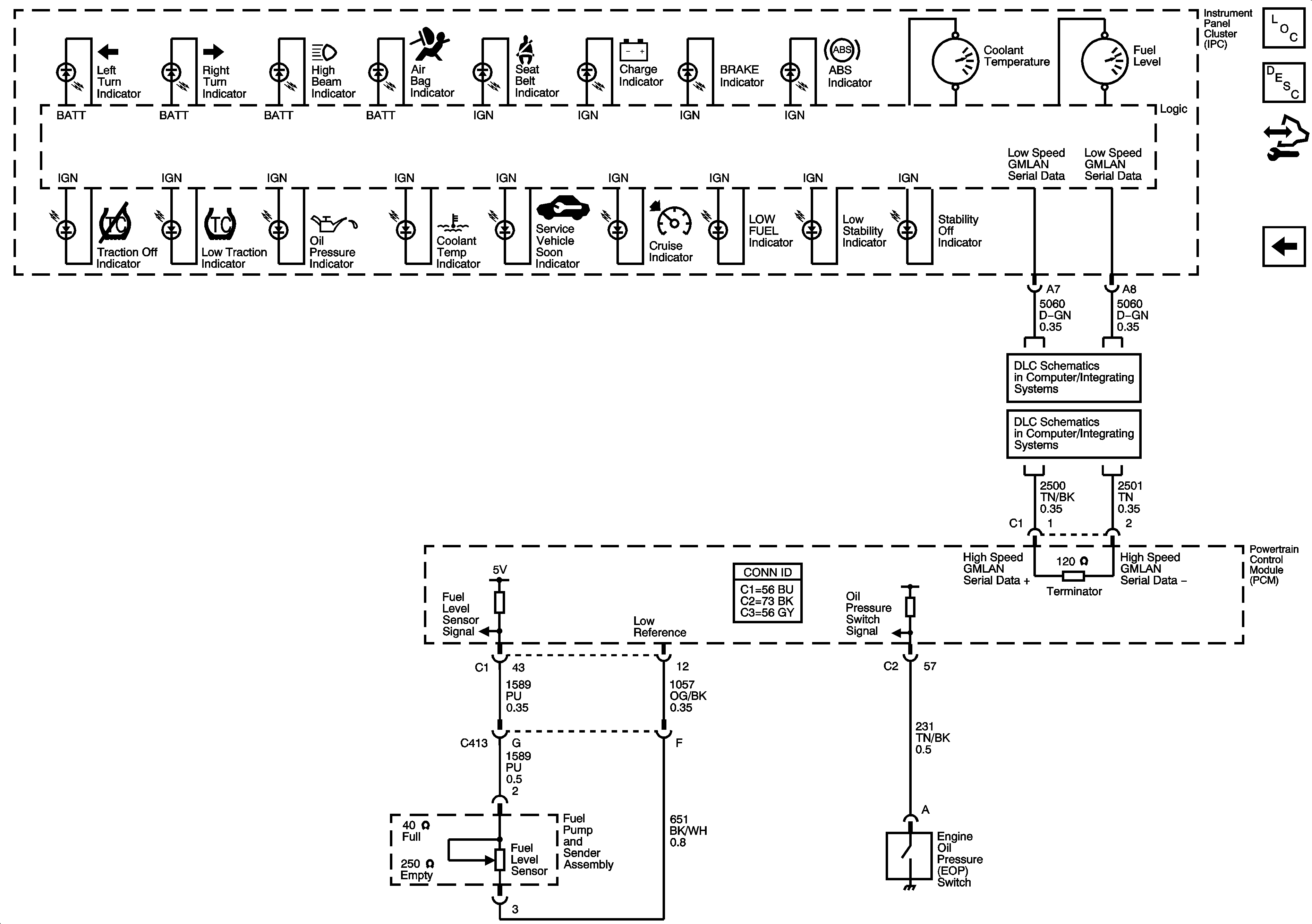
Instrument Cluster Description and Operation
Control Module References
Power, Ground and Illumination
Low Speed Serial Data
Power, Ground, Class2 and High Speed Serial Data