GM Service Manual Online
For 1990-2009 cars only
Makes
🢒
Generic
🢒
2005
🢒
Unit Repair
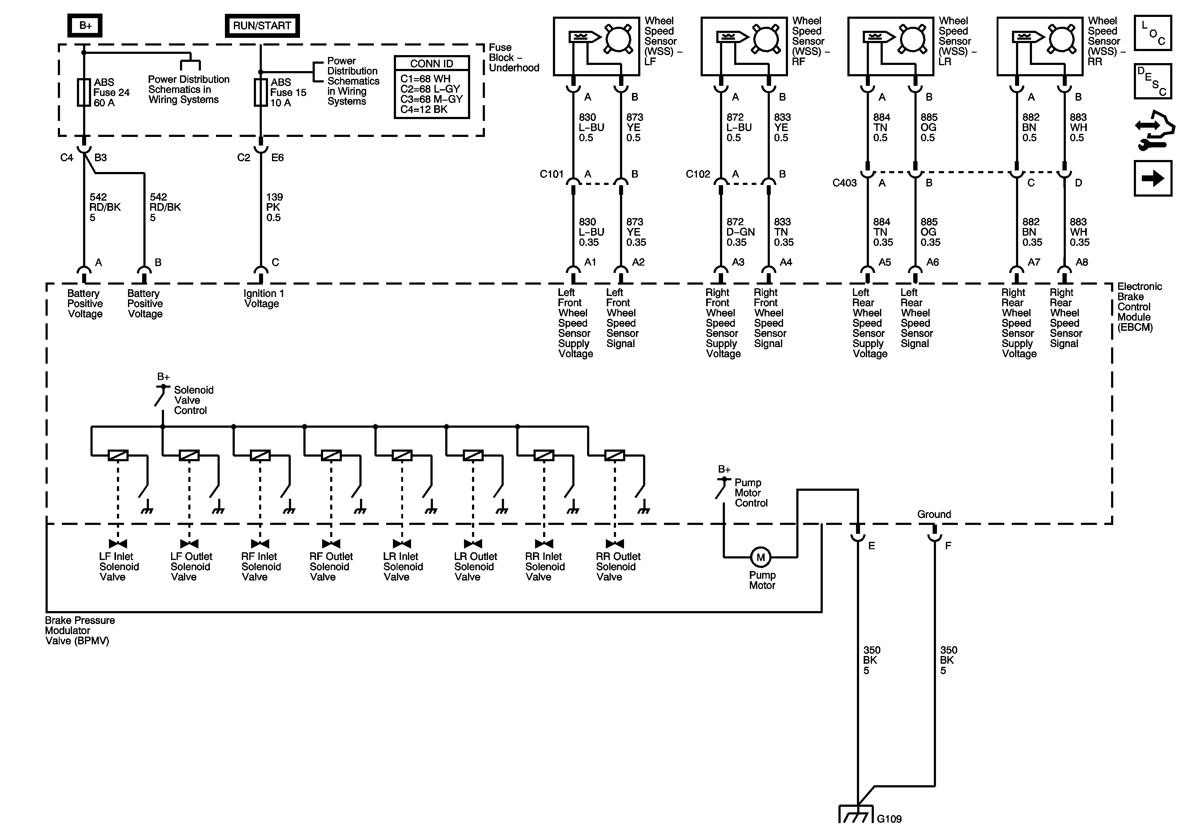
🢒 Power, Ground and Wheel Speed Sensors
Power, Ground and Wheel Speed Sensors
Power, Ground and Wheel Speed Sensors
Master Electrical Component List
ABS Description and Operation
Control Module References
Brake Pedal Position Sensor, Traction Control Switch and Data Link Communications
Underhood Fuse Block PCM, ABS, EPS, IBCM 1, IBCM 2, LH LOW, RH LOW, LH HIGH and RH HIGH Fuses
Underhood Fuse Block IBCM (R/C), TRANS, INJ, ABS, PCM and IGN 1 Fuses
G109