GM Service Manual Online
For 1990-2009 cars only
Makes
🢒
Generic
🢒
2005
🢒
Unit Repair
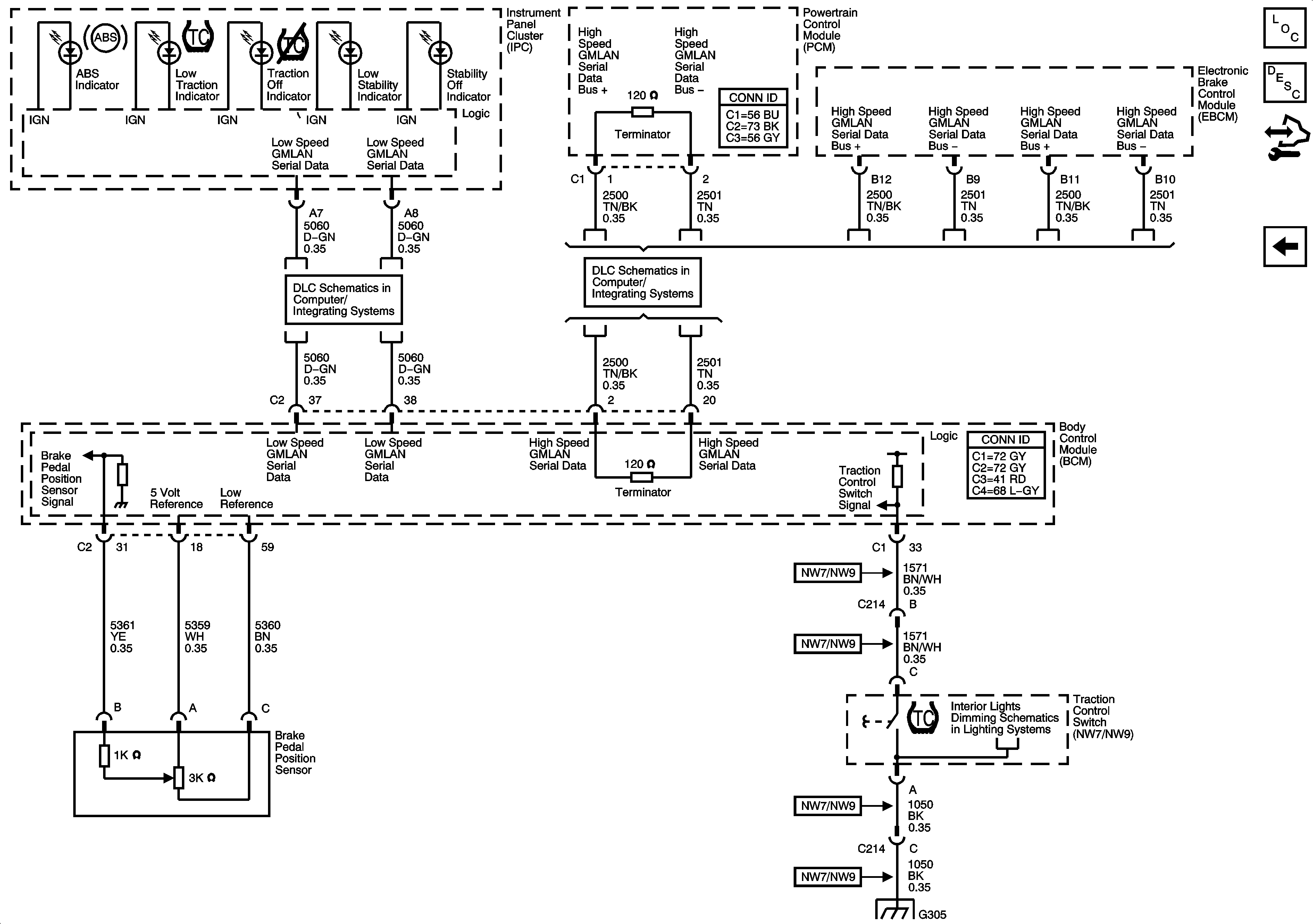
🢒 Brake Pedal Position Sensor, Traction Control Switch and Data Link Communications
Brake Pedal Position Sensor, Traction Control Switch and Data Link Communications
Brake Pedal Position Sensor, Traction Control Switch and Data Link Communications
Master Electrical Component List
ABS Description and Operation
Control Module References
Power, Ground and Wheel Speed Sensors
Low Speed Serial Data
Power, Ground, Class2 and High Speed Serial Data
Seats and Center Console
Seats and Center Console