GM Service Manual Online
For 1990-2009 cars only
Makes
🢒
Generic
🢒
2006
🢒
Unit Repair
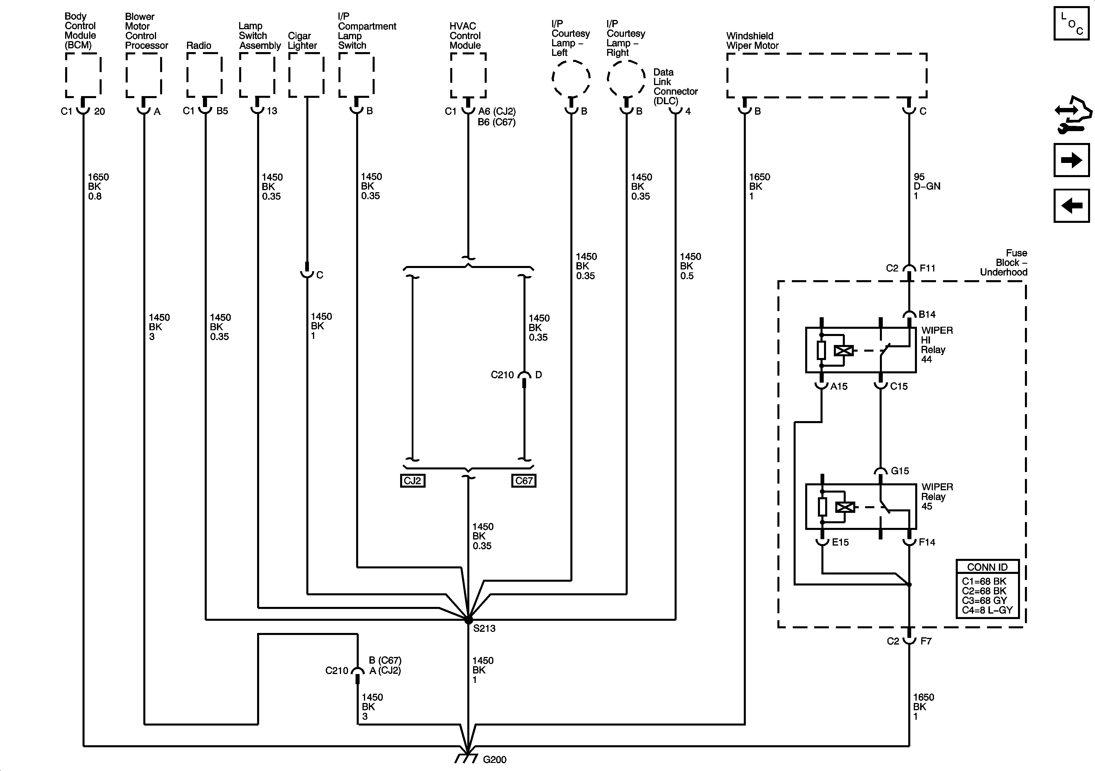
🢒 G200
G200
G200
Master Electrical Component List
Control Module References
G201
G130, G131 - LY7