GM Service Manual Online
For 1990-2009 cars only
Makes
🢒
Generic
🢒
2006
🢒
Unit Repair
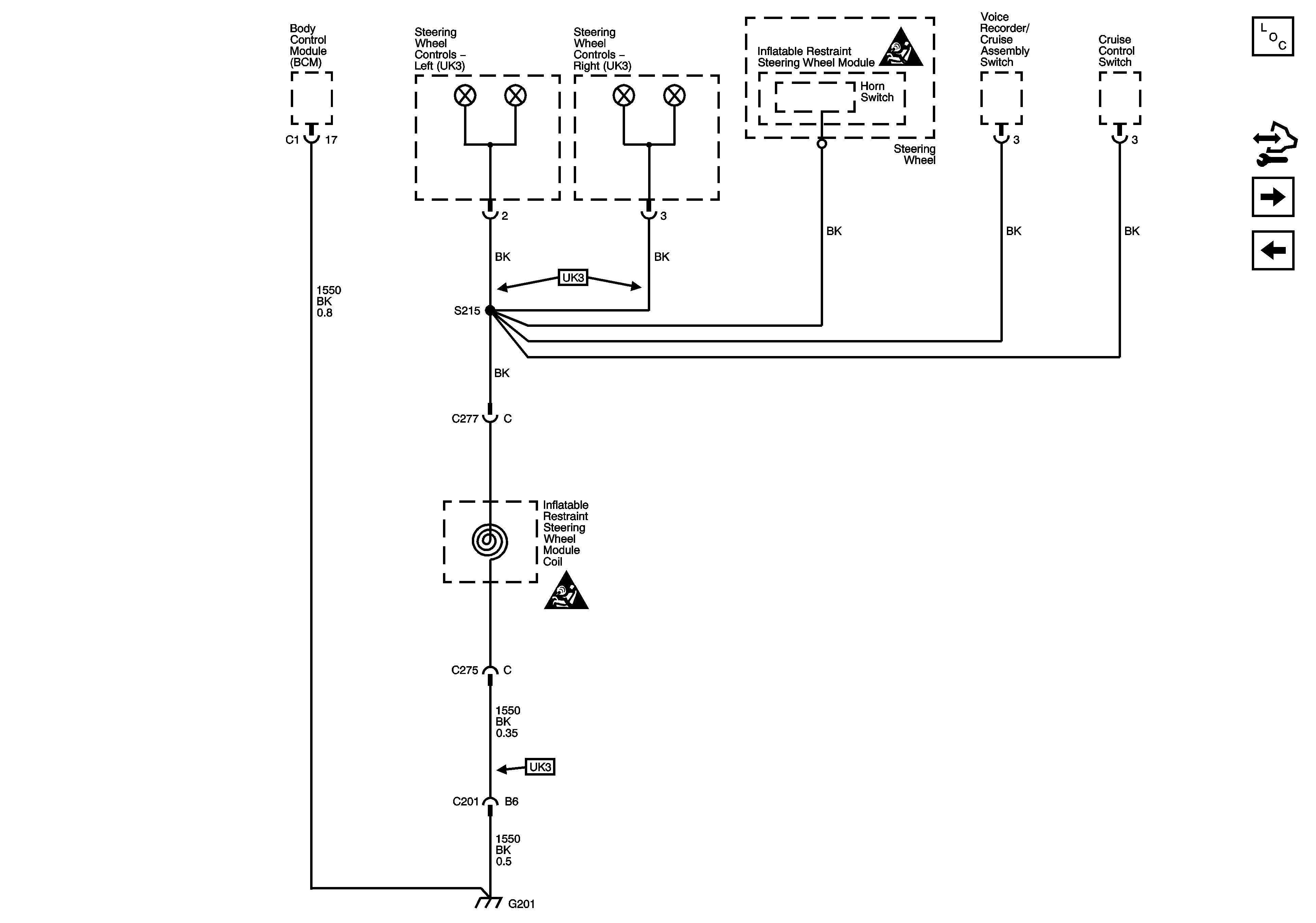
🢒 G201
G201
G201
Master Electrical Component List
Control Module References
G202
G200
SIR Caution for Zoning
SIR Caution for Zoning