GM Service Manual Online
For 1990-2009 cars only
Makes
🢒
Generic
🢒
2006
🢒
Unit Repair
🢒 Charging
Charging
Charging
Master Electrical Component List
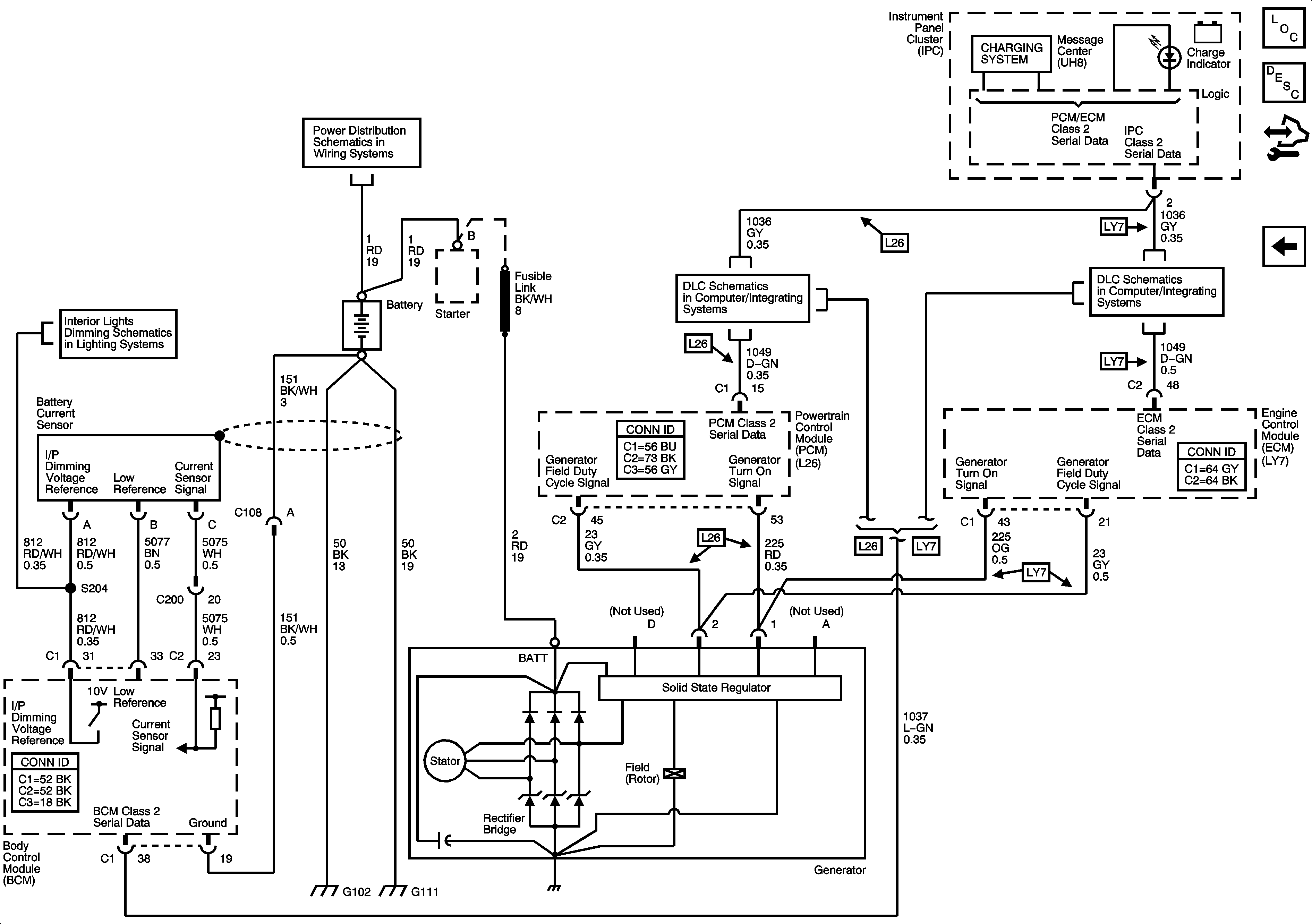
Starting System Description and Operation
Control Module References
Starting - LY7
Fuse Block - Underhood B+ Bus
L26
LY7
I/P, Console, and Driver Door Lighting
G101, G102, G103, G111, G112, and G113