GM Service Manual Online
For 1990-2009 cars only
Makes
🢒
Generic
🢒
2006
🢒
Unit Repair
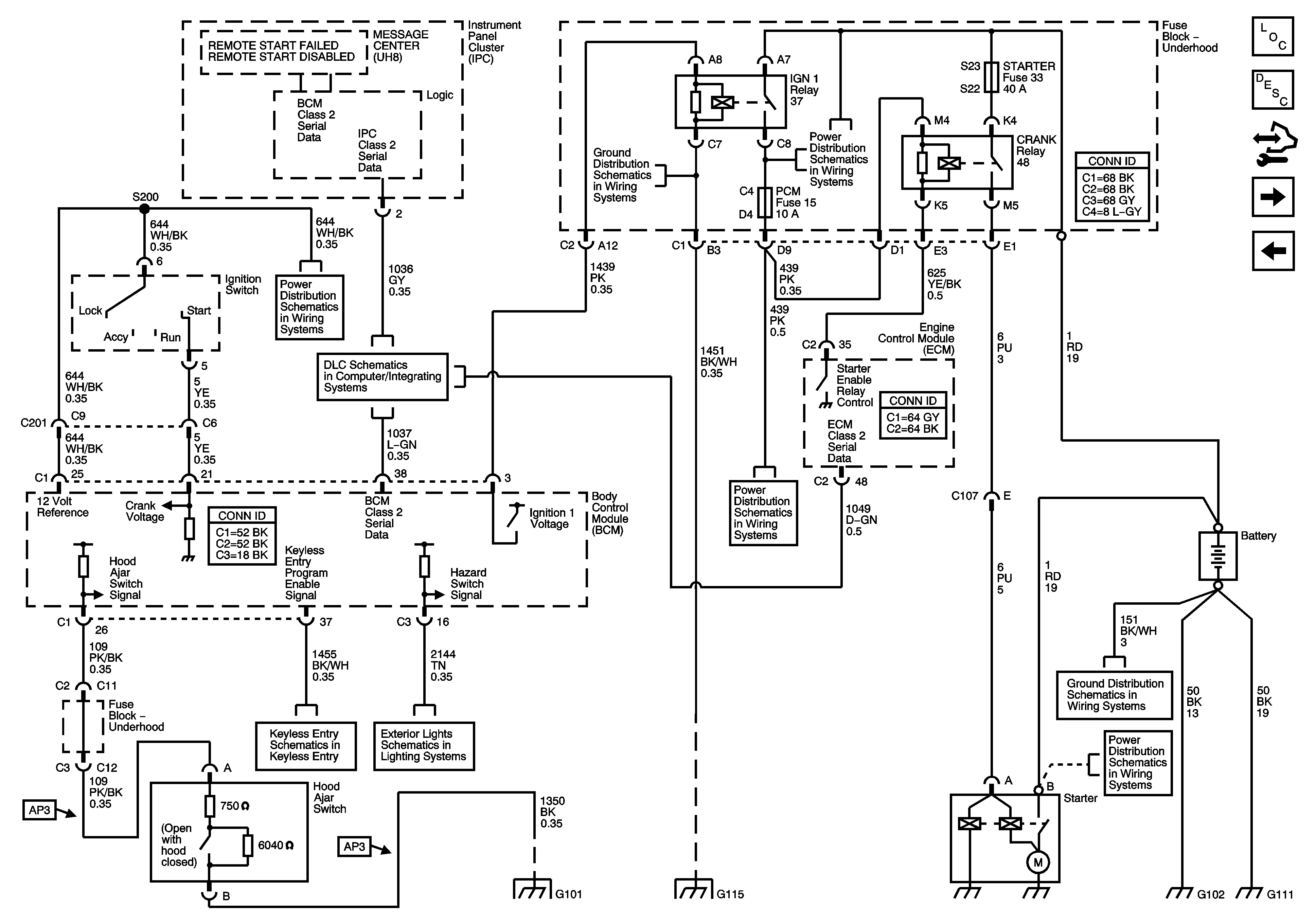
🢒 Starting - LY7
Starting - LY7
Starting - LY7
Master Electrical Component List
Starting System Description and Operation
Control Module References
Charging
Starting - L26
G115 (LY7)
Fuse Block - Underhood B+ Bus
Ignition Switch
LY7
Fuse Block - Underhood ABS, TRANS SOL, PCM, SIR, and DISPLAY Fuses, CRANK Relay, and Fuse Block - I/P CRUISE SW Fuse
G101, G102, G103, G111, G112, and G113
Keyless Entry Schematics
Turn Signal, Hazard, and Stop Lamps Inputs
Fuse Block - Underhood B+ Bus
G101, G102, G103, G111, G112, and G113
G115 (LY7)
G101, G102, G103, G111, G112, and G113