GM Service Manual Online
For 1990-2009 cars only
Makes
🢒
Generic
🢒
2006
🢒
Unit Repair
🢒 Electronic Throttle Controls
Electronic Throttle Controls
Electronic Throttle Controls
Master Electrical Component List
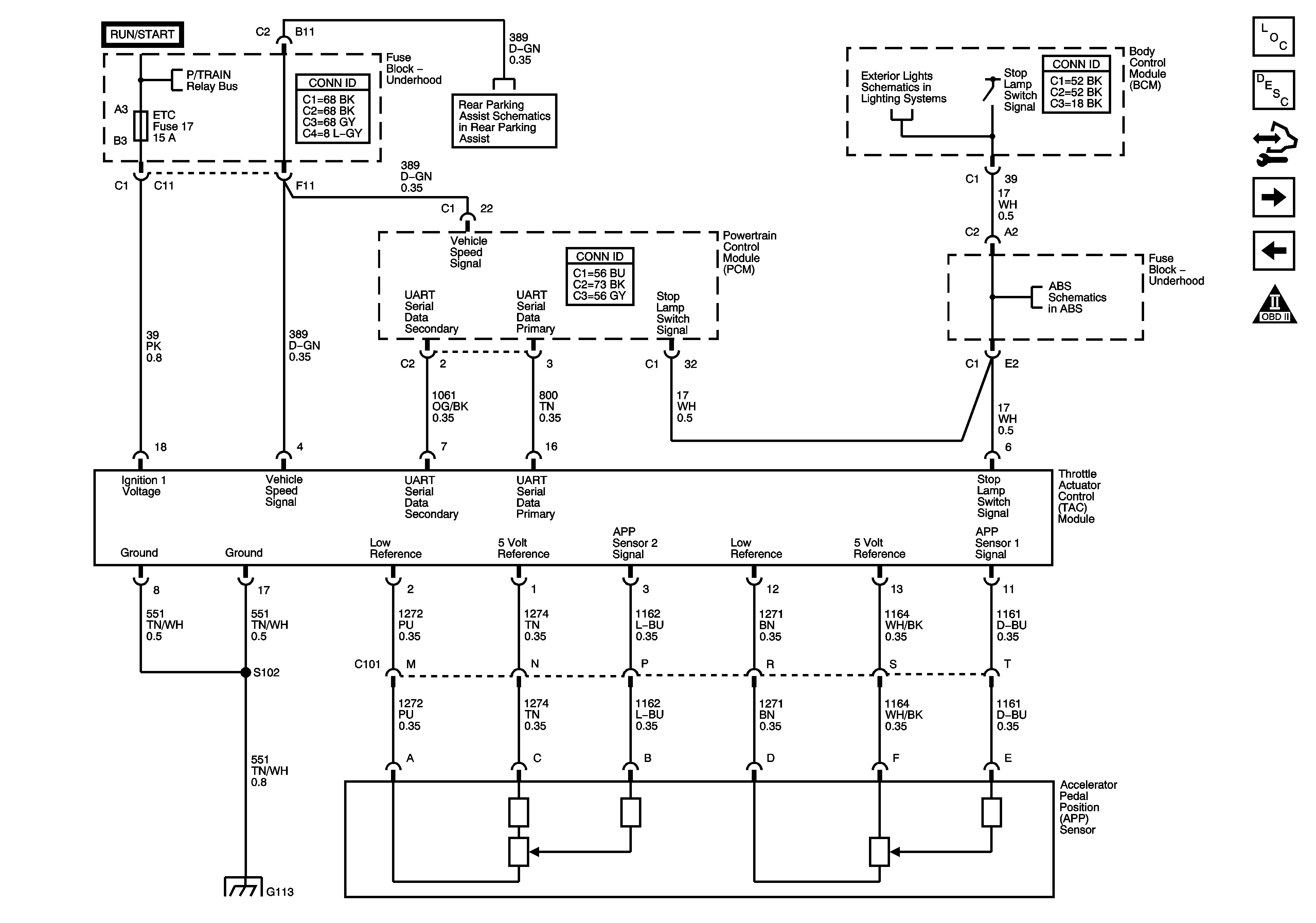
Throttle Actuator Control (TAC) System Description
Control Module References
Ignition Controls
Oxygen Sensors
OBD II Symbol Description Notice
Fuse Block - Underhood B+ Bus
Rear Parking Assist Schematics
G101, G102, G103, G111, G112, and G113