GM Service Manual Online
For 1990-2009 cars only
Makes
🢒
Generic
🢒
2006
🢒
Unit Repair
🢒 Ignition Controls
Ignition Controls
Ignition Controls
Master Electrical Component List
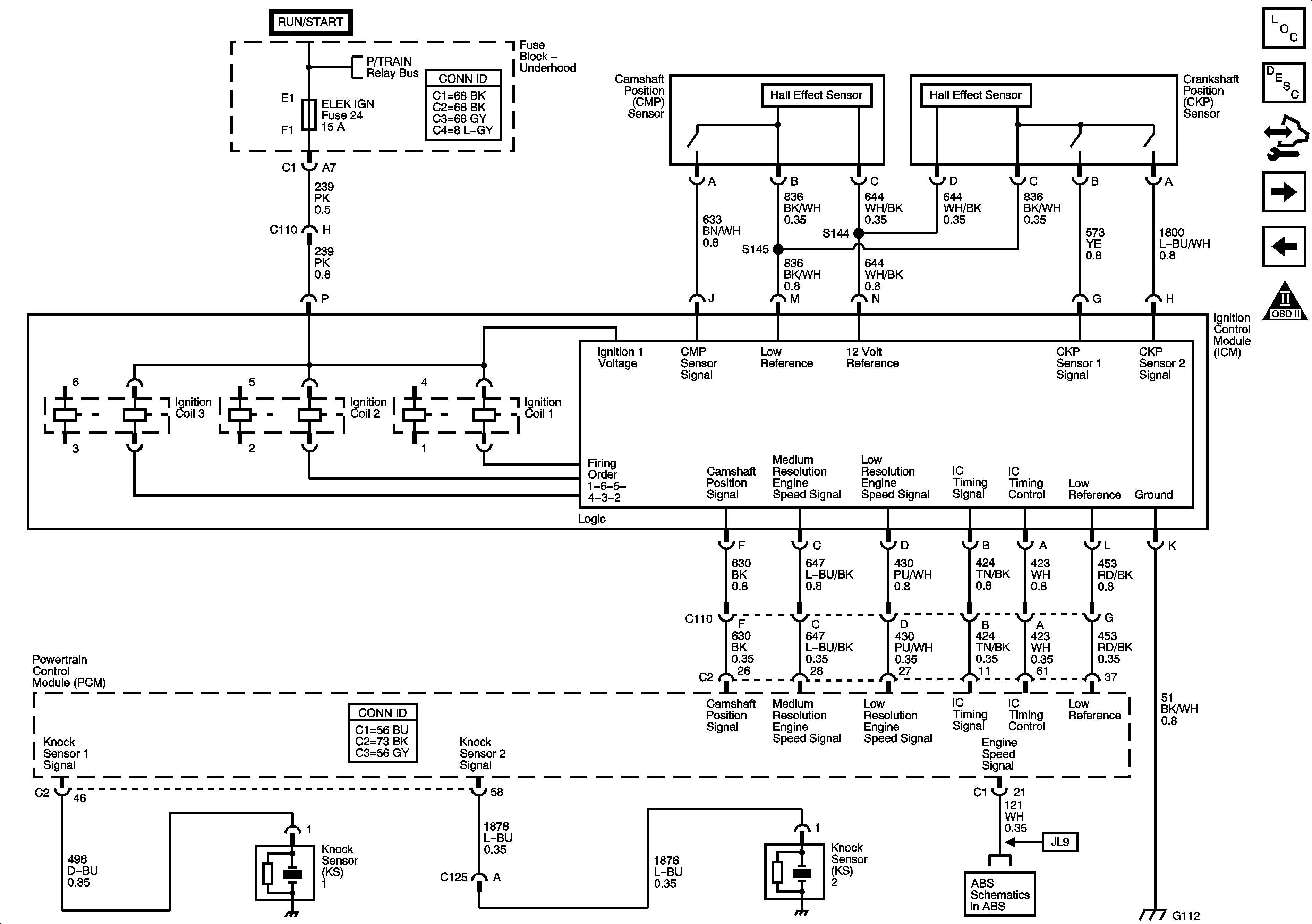
Electronic Ignition (EI) System Description
Control Module References
Fuel Pump Controls
Electronic Throttle Controls
OBD II Symbol Description Notice
Fuse Block - Underhood B+ Bus
Indicators, Stop Lamp, Traction Controls, and Serial Data
G101, G102, G103, G111, G112, and G113