GM Service Manual Online
For 1990-2009 cars only
Makes
🢒
Generic
🢒
2006
🢒
Unit Repair
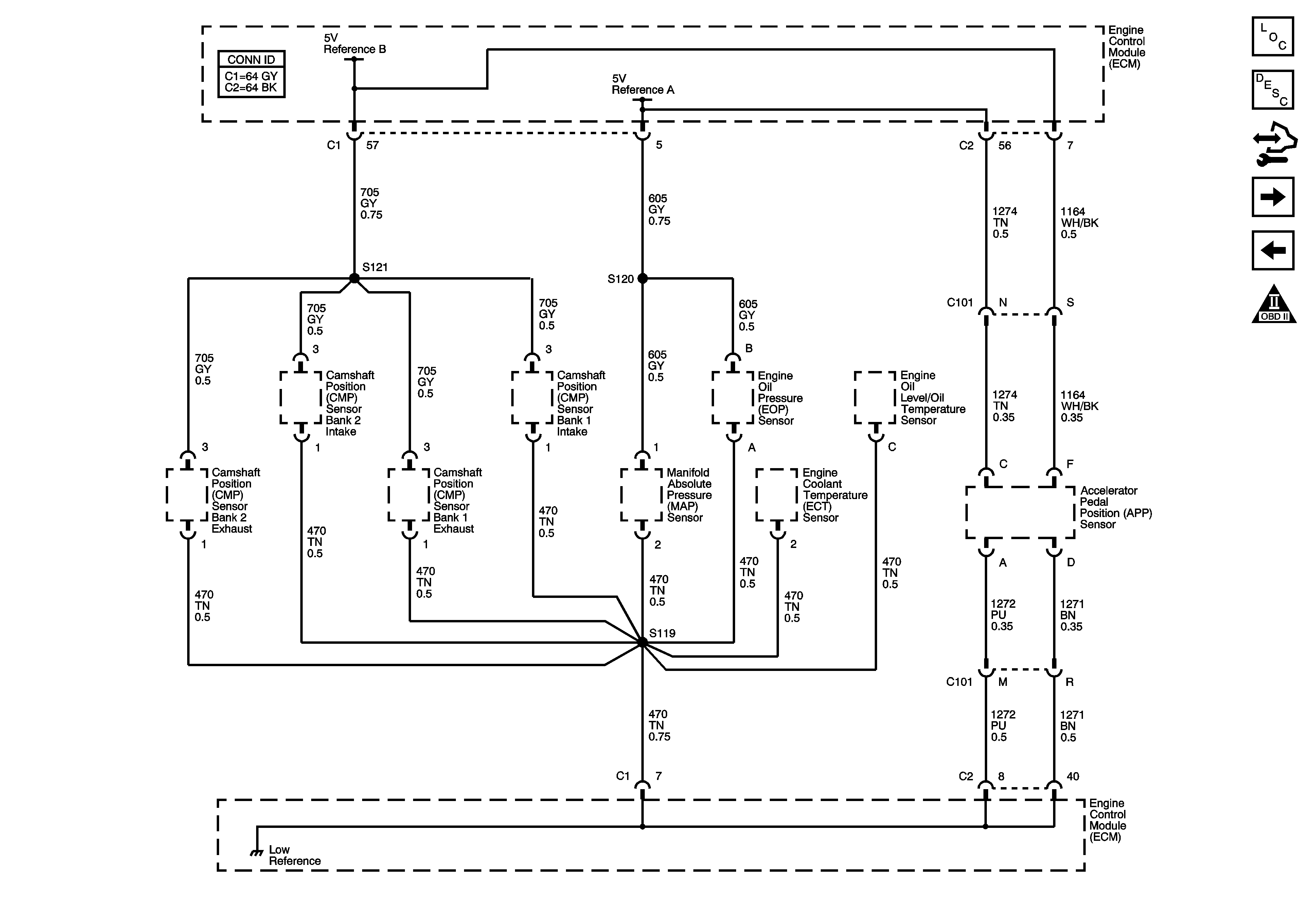
🢒 5 Volt and Low Reference, Page 2 of 2
5 Volt and Low Reference, Page 2 of 2
5-Volt and Low Reference - 2 of 2
Master Electrical Component List
Engine Control Module Description
Control Module References
Pressure and Temperature Sensors
5 Volt and Low Reference, Page 1 of 2
OBD II Symbol Description Notice