GM Service Manual Online
For 1990-2009 cars only
Makes
🢒
Generic
🢒
2006
🢒
Unit Repair
🢒 Pressure and Temperature Sensors
Pressure and Temperature Sensors
Pressure and Temperature Sensors
Master Electrical Component List
Air Intake System Description
Control Module References
MAF, VSS and Stop Lamp Switch
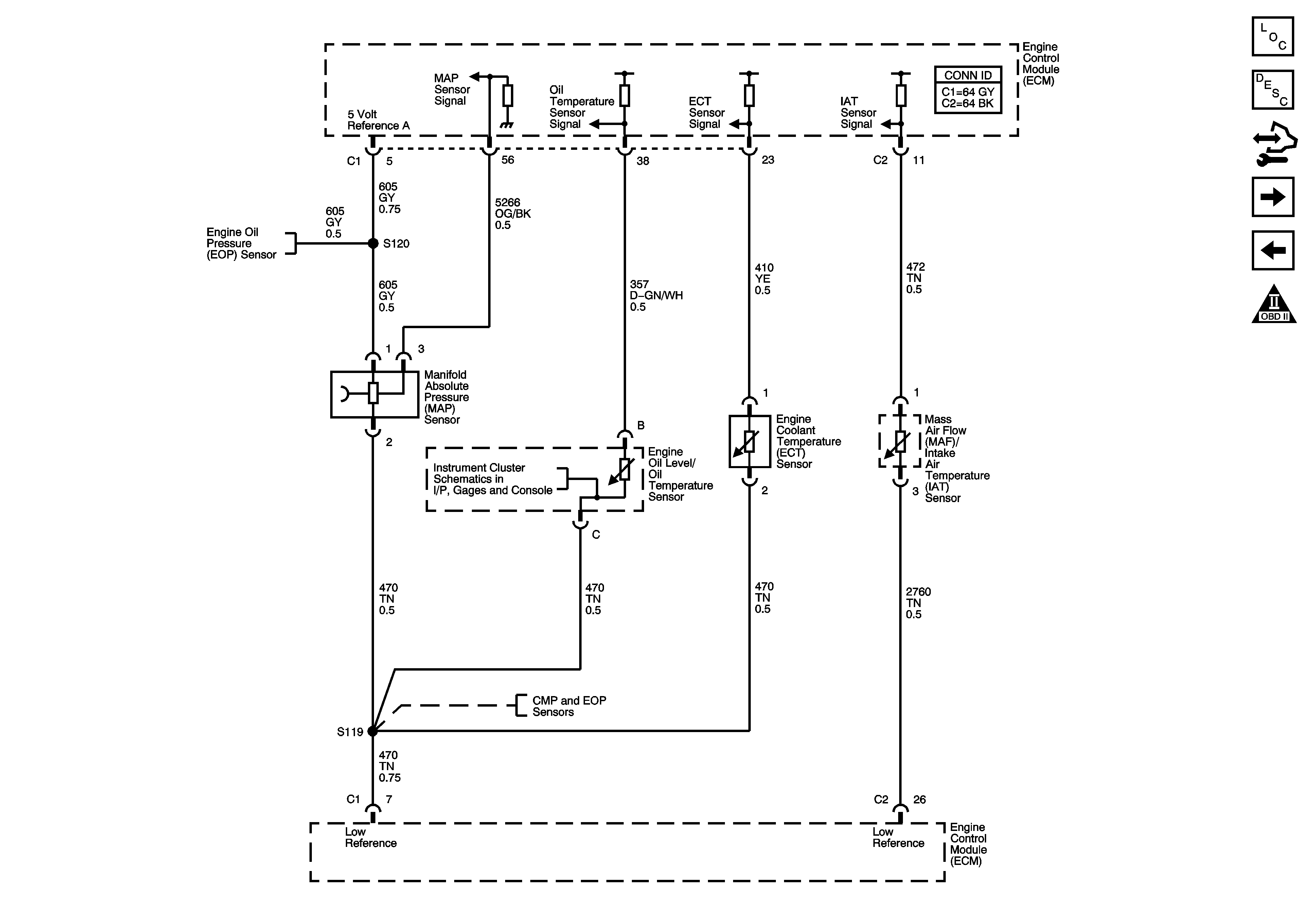
5 Volt and Low Reference, Page 2 of 2
OBD II Symbol Description Notice
5 Volt and Low Reference, Page 2 of 2
Indicators (UH8)
5 Volt and Low Reference, Page 2 of 2