GM Service Manual Online
For 1990-2009 cars only
Makes
🢒
Generic
🢒
2006
🢒
Unit Repair
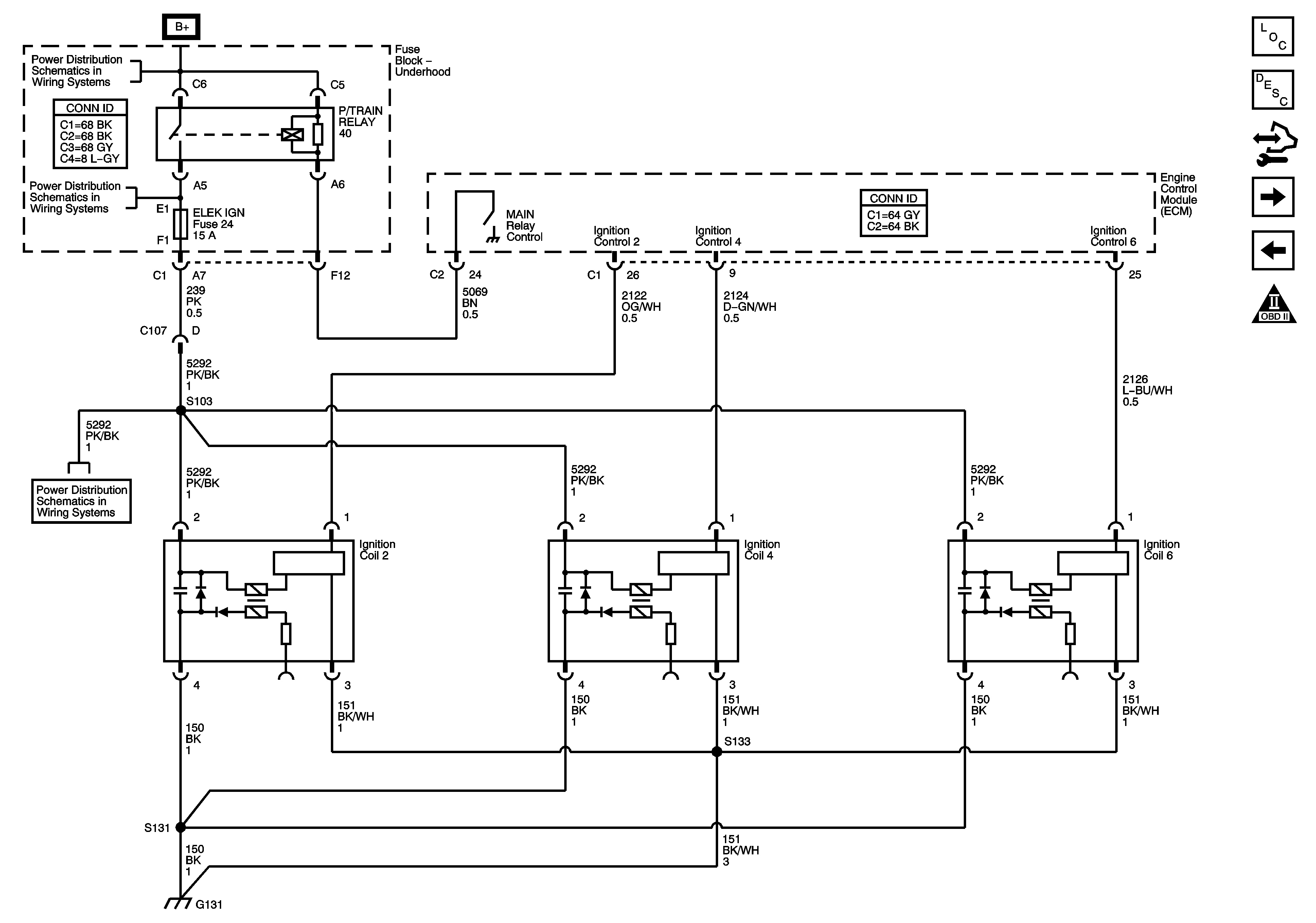
🢒 Ignition Controls - Bank 2 (Even) Ignition Coils
Ignition Controls - Bank 2 (Even) Ignition Coils
Ignition Controls - Bank 2 (Even) Ignition Coils
Master Electrical Component List
Electronic Ignition (EI) System Description
Control Module References
Knock and CKP Sensors and Engine Speed
Ignition Controls - Bank 1 (Odd) Ignition Coils
OBD II Symbol Description Notice
Fuse Block - Underhood B+ Bus
Fuse Block - Underhood ELEK IGN, FUEL INJ, and 02 SSR Fuses (LY7)
Fuse Block - Underhood ELEK IGN, FUEL INJ, and 02 SSR Fuses (LY7)
G130, G131 - LY7