GM Service Manual Online
For 1990-2009 cars only
Makes
🢒
Generic
🢒
2006
🢒
Unit Repair
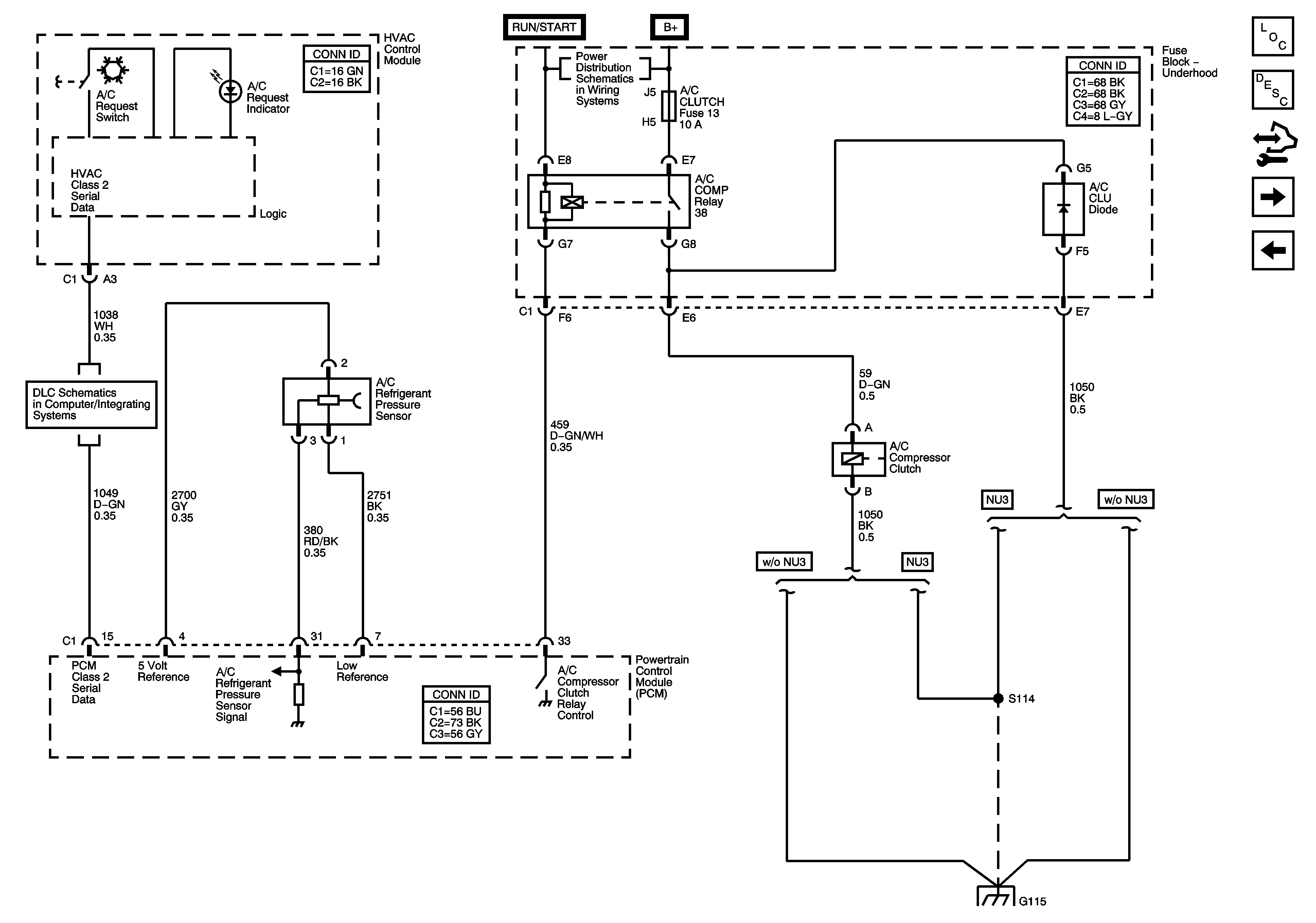
🢒 Compressor Controls and Serial Data (L26)
Compressor Controls and Serial Data (L26)
Compressor Controls and Serial Data (L26)
Master Electrical Component List
Air Delivery Description and Operation
Control Module References
Compressor Controls and Serial Data (LY7)
Power, Ground, and Blower Controls
Fuse Block - Underhood B+ Bus
L26
G115 (L26)