GM Service Manual Online
For 1990-2009 cars only
Makes
🢒
Generic
🢒
2006
🢒
Unit Repair
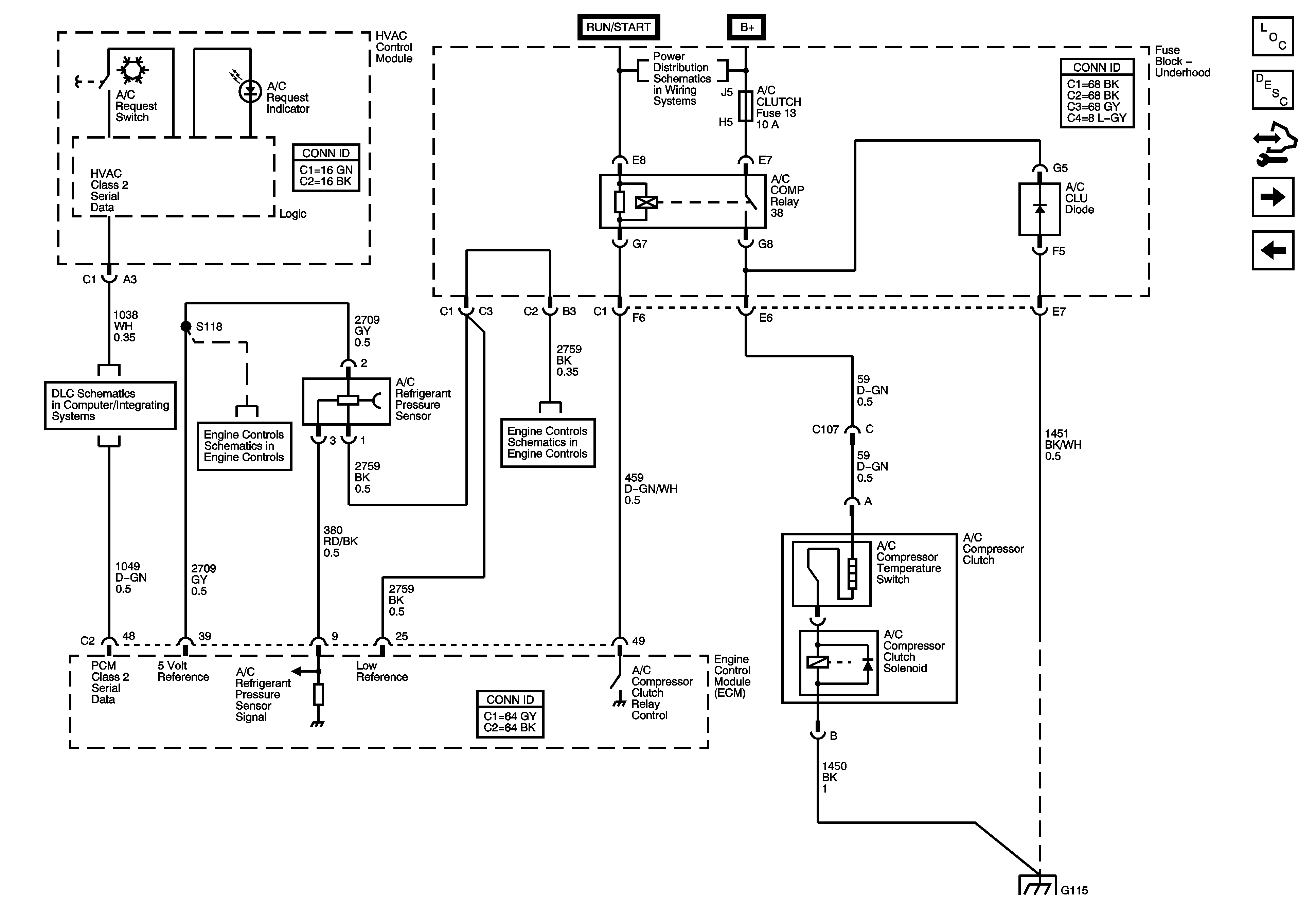
🢒 Compressor Controls and Serial Data (LY7)
Compressor Controls and Serial Data (LY7)
Compressor Controls and Serial Data (LY7)
Master Electrical Component List
Air Delivery Description and Operation
Control Module References
Air Temperature and Sunload Sensors
Compressor Controls and Serial Data (L26)
Fuse Block - Underhood B+ Bus
LY7
5 Volt and Low Reference, Page 1 of 2
5 Volt and Low Reference, Page 1 of 2
G115 (LY7)