GM Service Manual Online
For 1990-2009 cars only
Makes
🢒
Generic
🢒
2006
🢒
Unit Repair
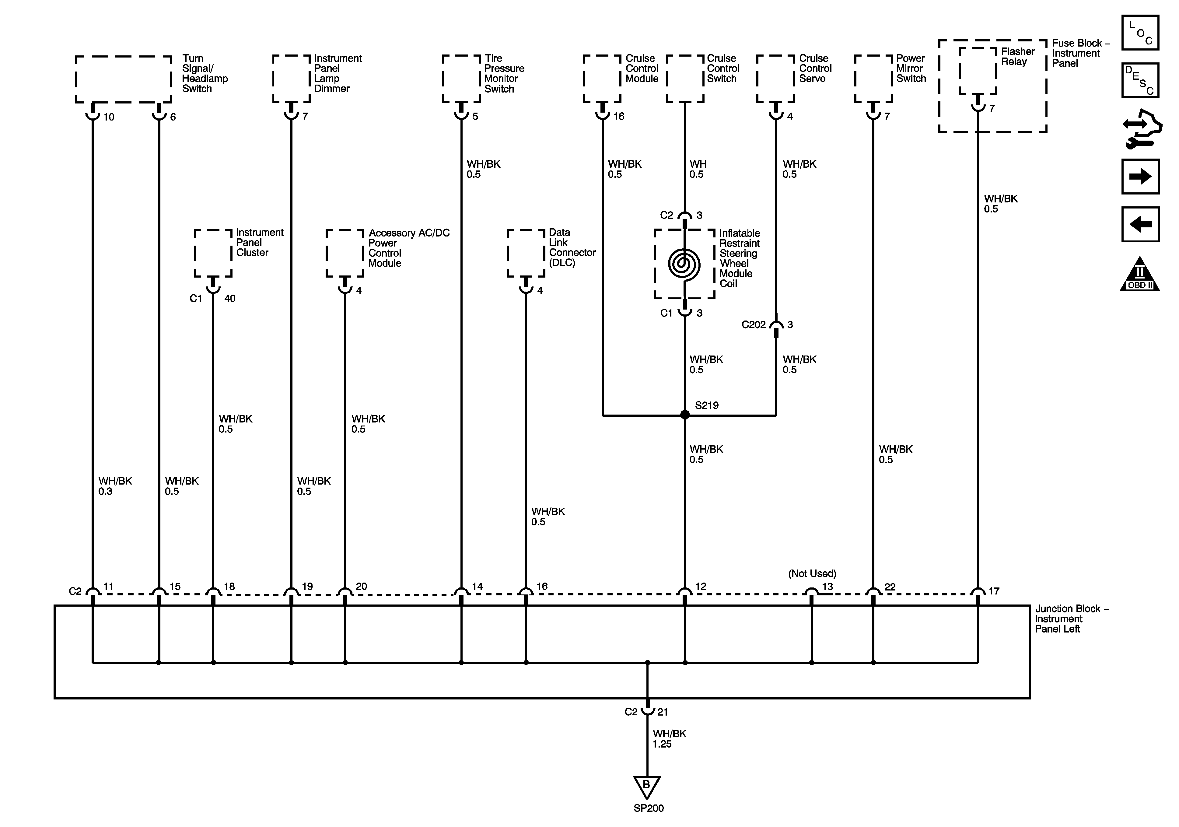
🢒 Junction Block - Instrument Panel Left
Junction Block - Instrument Panel Left
Junction Block - Instrument Panel Left
Master Electrical Component List
Control Module References
S221
SP201 and G201
OBD II Symbol Description Notice