GM Service Manual Online
For 1990-2009 cars only
Makes
🢒
Generic
🢒
2006
🢒
Unit Repair
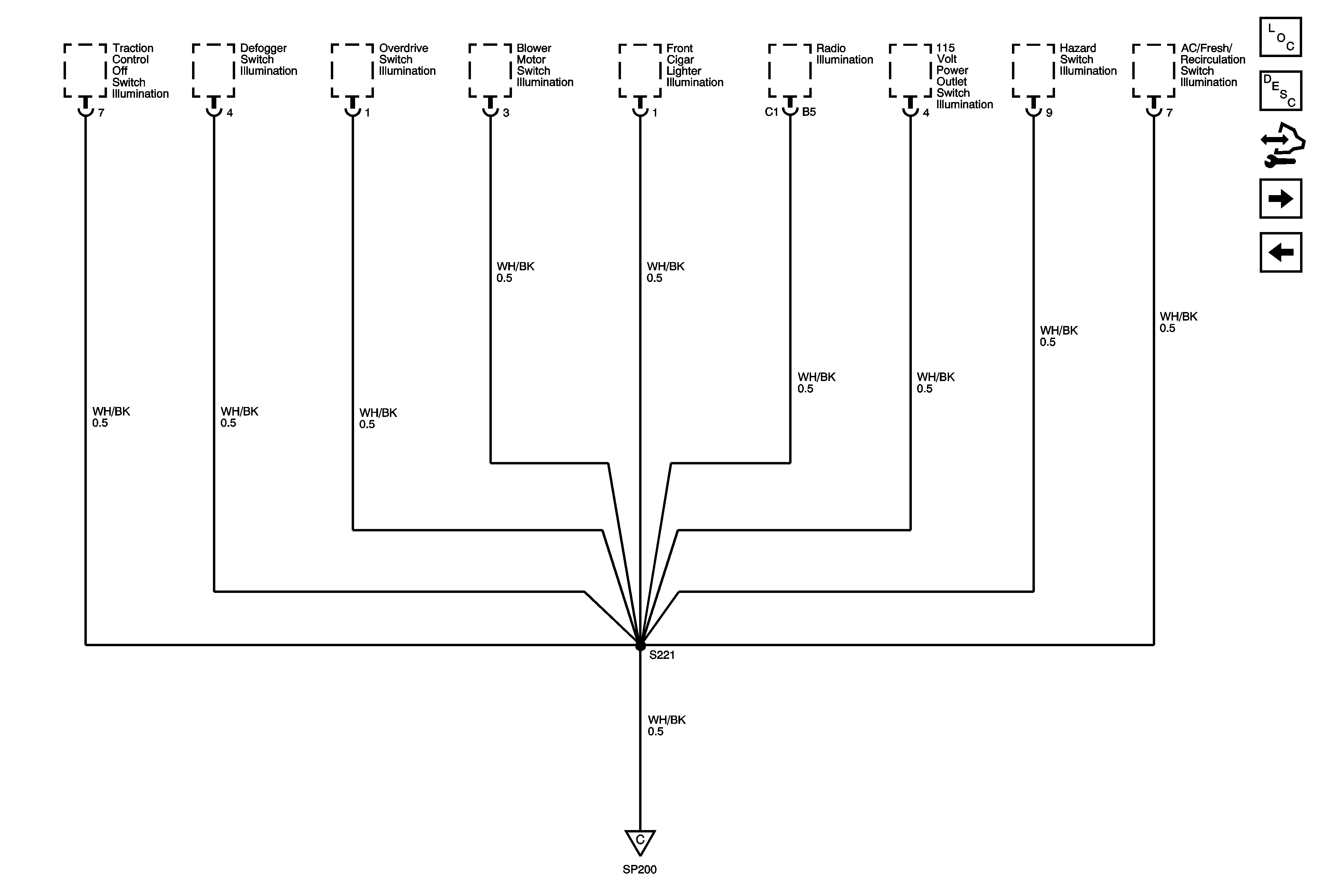
🢒 S221
S221
S221
Master Electrical Component List
Control Module References
Fuse Block - Instrument Panel
Junction Block - Instrument Panel Left