GM Service Manual Online
For 1990-2009 cars only
Makes
🢒
Generic
🢒
2006
🢒
Unit Repair
🢒 Fuse Block - Instrument Panel
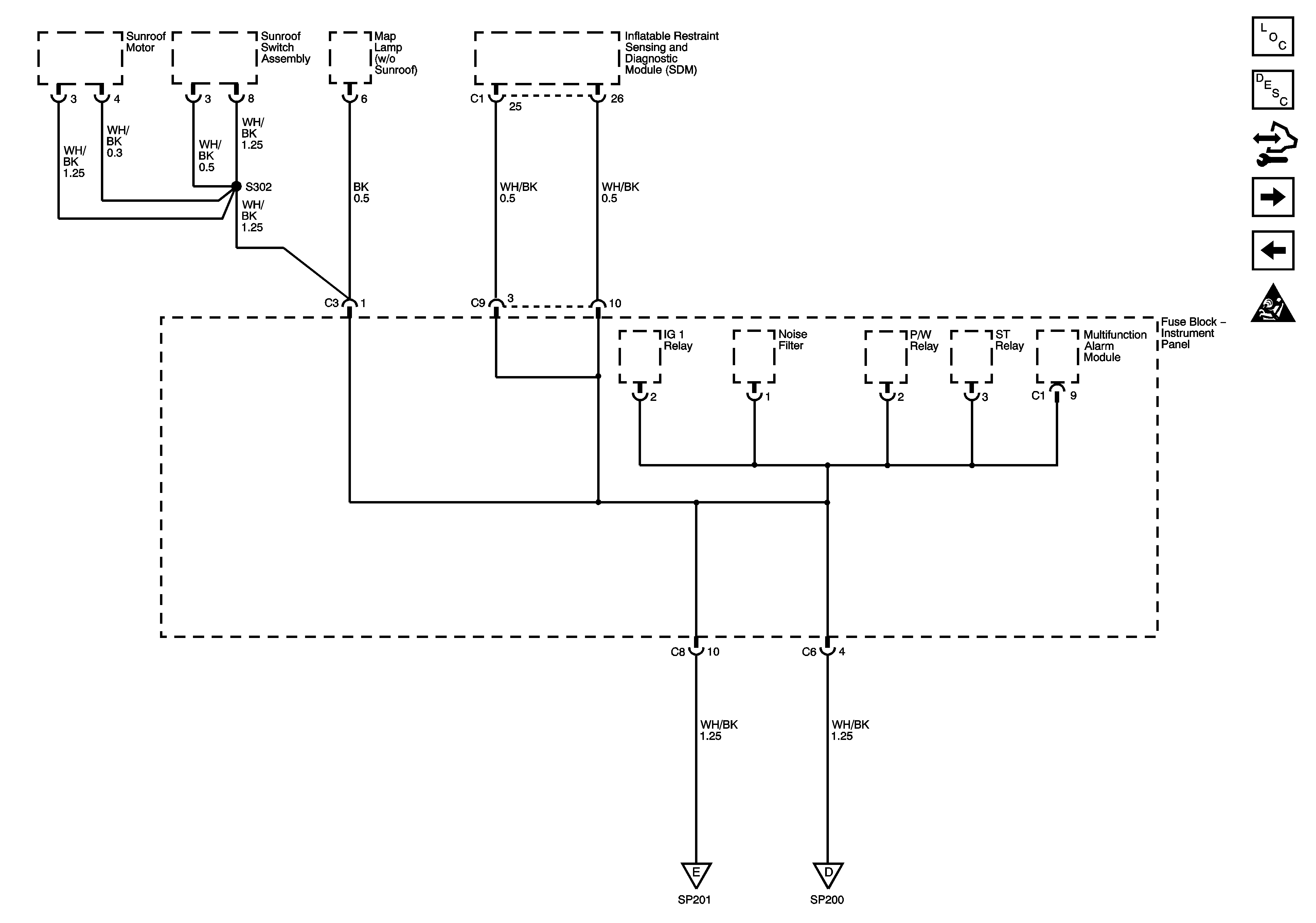
Fuse Block - Instrument Panel
Fuse Block - Instrument Panel
Master Electrical Component List
Control Module References
SP201 and G201
S221
SIR Caution for Zoning